CA555 Roller Chain for Agricultural?
CA555 roller chain is commonly known as a CA555 agricultural roller chain and is manufactured using hardened steel parts to close tolerances. This CA555 roller chain is durable, high quality, high strength, and has a long working life. CA555 agricultural roller chain is found in a wide range of applications, including agriculture, conveyors, corn gathering, elevator feed stations, feeder houses, forage harvesters, baggers, grain handling, manure spreaders, and more. We offer a full line of CA555 roller chain attachments that can be assembled onto the chain in any configuration needed. We also offer full CA555 roller chain sprockets and can supply them with almost any hub, bore, or tooth configuration needed. For more information on the CA555 roller chain or to get a quote on attachments or sprockets, please contact us, and we will be happy to assist you.![]() | ![]() |

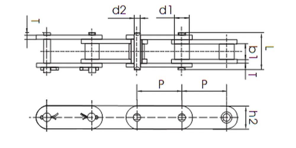
| ANSI Chain Size: | CA555 Chain (CA555 Roller Chain) |
| Chain Material: | Carbon/Alloy |
| Pitch (P): | 1.630" |
| Inner Width (b1): | 0.500" |
| Roller Diameter (d1): | 0.656'' |
| Overall Width (L): | 1.145" |
| Pin Diameter (d2): | 0.283" |
| Link Plate Height (h2): | 0.759" |
| Link Plate Thickness (T): | 0.122" |
| Average Tensile Strength: | 12,500 lbs |
| Max Working Load: | 1,500 lbs |
| No. Of Pitches/Links Per 10 Feet: | 74 |
| No. Of Connecting Links Included: | 1 |

![]() | ![]() |
| CA555 Chain Connecting Link (Master Link) | CA555 Chain Offset Link (Half Link) |
![]() | ![]() |
| CA555 Chain Roller Link | CA555 Roller Chain Breaker Tool |
![]() | ![]() |
| CA555 Roller Chain C5E Attachment | CA555 Roller Chain C6E Attachment |
![]() | ![]() |
![]() | ![]() |



![]() | ![]() |
Address
Luotuo Industrial Area, Zhenhai District, Ningbo City, China
Tel
