

| 1 | 壳体/Case | 18 | 内六角螺钉/Iner hex screw |
| 2 | 油封盖/Closing cap | 19 | 输出法兰/Outputflange |
| 3 | 骨架油封/Oil seal | 20 | 油封/Oil seal |
| 4 | 孔用挡圈/Hole-circlip | 21 | 轴承/Bearing |
| 5 | 轴承/Bearing | 22 | 蜗轮/Wheel |
| 6 | 双头轴输入蜗杆/Double input shaft worm | 23 | 轴承/Bearing |
| 7 | 轴输入蜗杆/Input shaft worm | 24 | O型圈/O-ring |
| 8 | 孔、轴输入蜗杆/Input shaft and hole worm | 25 | 端盖/Cover |
| 9 | 孔输入蜗杆/Input hole worm | 26 | 内六角螺钉/Inner hex screw |
| 10 | 油塞/Oil plug | 27 | 油封/Oil seal |
| 11 | 油封座/Oilseal | 28 | 轴用挡圈/Shaft-circlip |
| 12 | 轴承/Bearing | 29 | 垫圈/Washer |
| 13 | O型圈/O-ring | 30 | 键/Key |
| 14 | 输入法兰/Intputflange | 31 | 键/Key |
| 15 | 内六角螺钉/Inner hex screw | 32 | 单向输出轴/Single output shaft |
| 16 | 油封/Oil seal | 33 | 双向输出轴/Double output shaft |
| 17 | 外六角螺栓/Six hexagon bolt |

| PAM | DE8 | b | t | p | M | N | S |
| IEC | |||||||
| 63B5 | 11 | 4 | 12.8 | 140 | 115 | 95 | 9 |
| 63B14 | 11 | 4 | 12.8 | 90 | 75 | 60 | 5.5 |
| 56B5 | 9 | 3 | 10.4 | 120 | 100 | 80 | 6.5 |
| 56B14 | 9 | 3 | 10.4 | 80 | 65 | 50 | 5.5 |

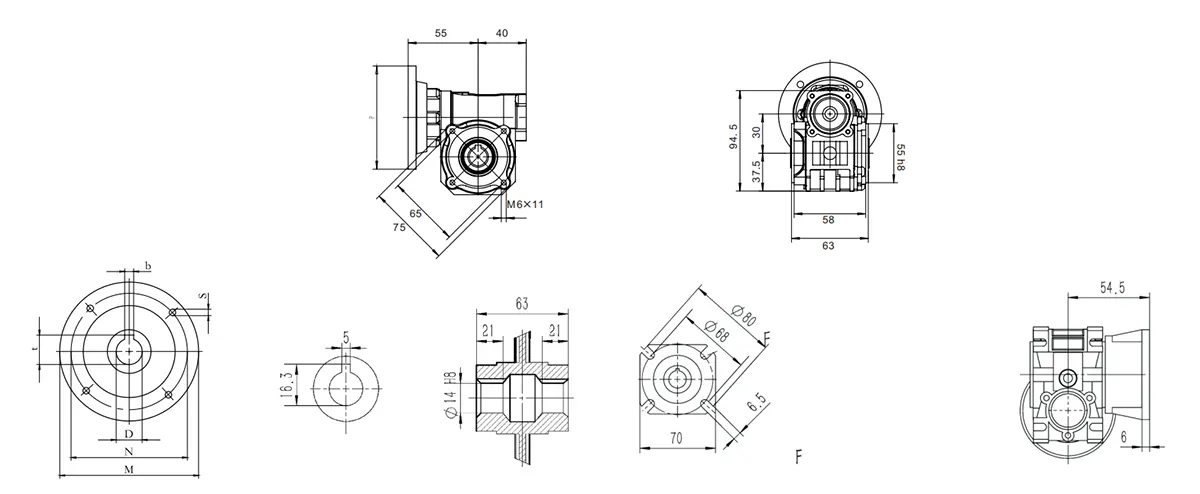
| 减速机型号Gearbox Size | 法兰规格Flange size | A | B | C | D | E | F |
| MFV030 | 60*60 | 60 | 45 | 50 | 70 | / | M5 |
| 80*80 | 80 | 45 | 60 | 90 | 94 | 6.6 | |
| 80*80 | 80 | 45 | 70 | 90 | 94 | 6.6 | |
| 85*85 | 85 | 45 | 60 | 90 | 98 | 6.6 | |
| 85*85 | 85 | 45 | 70 | 90 | 98 | 6.6 | |
| 90*90 | 90 | 45 | 83 | 102 | 106 | 6.6 | |
| 104*104 | 104 | 45 | 94 | 115 | 120 | 8.8 | |
| 104*104 | 104 | 45 | 98 | 115 | 120 | 8.8 |
| Type | i | n2(min-1) | Mn2(Nm) | Fr(N) | f.s. | Motor size | P1(kW) | Lenth of Motor(mm) |
| MFV030 | 5 | 280280280280180180 | 1.82.73.65.34.15.4 | 597597597597692692 | 8.16.75.13.44.93.7 | 561-4562-4631-4632-4631-6632-6 | 0.060.090.120.180.090.12 | 175175190190190190 |
| 7.5 | 186.7186.7186.7186.7120120 | 2.63.95.27.85.97.9 | 683683683683792792 | 6.94.63.42.33.42.5 | 561-4562-4631-4632-4631-6632-6 | 0.060.090.120.180.090.12 | 175175190190190190 | |
| 10 | 1401401401409090 | 3.456.7107.610 | 752752752752871871 | 5.43.62.71.82.62.0 | 561-4562-4631-4632-4631-6632-6 | 0.060.090.120.180.090.12 | 175175190190190190 | |
| 15 | 93.393.393.393.36060 | 4.77.19.5141114 | 861861861861997997 | 3.82.51.91.31.91.4 | 561-4562-4631-4632-4631-6632-6 | 0.060.090.120.180.090.12 | 175175190190190190 | |
| 20 | 707070704545 | 6912181318 | 94894894894810981098 | 3.02.01.51.01.51.1 | 561-4562-4631-4632-4631-6632-6 | 0.060.090.120.180.090.12 | 175175190190190190 | |
| 25 | 565656563636 | 71014211520 | 102110211021102111831183 | 3.02.01.51.01.51.1 | 561-4562-4631-4632-4631-6632-6 | 0.060.090.120.180.090.12 | 175175190190190190 | |
| 30 | 46.746.746.746.73030 | 81216241723 | 108510851085108512571257 | 2.51.71.30.81.20.9 | 561-4562-4631-4632-4631-6632-6 | 0.060.090.120.180.090.12 | 175175190190190190 | |
| 40 | 35353522.5 | 9.7141921 | 1194119411941383 | 1.91.20.91.0 | 561-4562-4631-4631-6 | 0.060.090.120.09 | 175175190190 | |
| 50 | 28282818 | 11172324 | 1286128612861490 | 1.51.00.80.7 | 561-4562-4631-4631-6 | 0.060.090.120.09 | 175175190190 | |
| 60 | 23.323.315 | 131918 | 136713671583 | 1.30.90.9 | 561-4562-4562-6 | 0.060.090.06 | 175175175 | |
| 80 | 17.5 | 14 | 1504 | 0.9 | 561-4 | 0.06 | 175 |

![]() | ![]() |

IP67 Motor Dimension
| Type | IP56 Motor | IP67 Motor | ||||||||
| RV/De | L | D | ΦC | ΦS | T | L | D | ΦC | ΦS | T |
| 71B14 | 190 | 140 | 85 | 14 | M6 | 180 | 120 | 85 | 14 | M6 |
| 80B14 | 215 | 158 | 100 | 19 | ||||||
Address
Luotuo Industrial Area, Zhenhai District, Ningbo City, China
Tel
