CD-U2 Series Harmonic Drive (Strain Wave Gear Reducer)
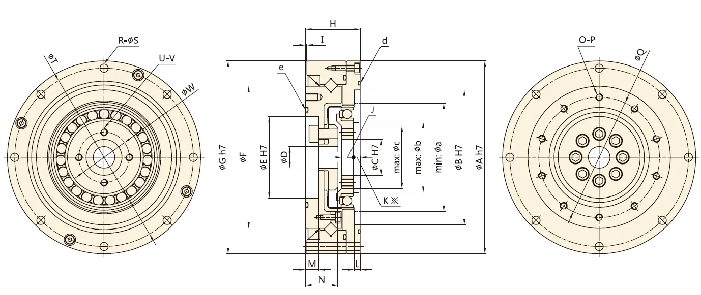
The CD-U2 Series Harmonic Drive Reducer is a precision gear component used in various applications that require high torque, compact size, and precise motion control. Harmonic Drive, also known as strain wave gearing, is a type of gear mechanism that uses flexible components to achieve high gear reduction ratios with exceptional accuracy and repeatability.The CD-U2 Series is an advanced version of the traditional Harmonic Drive design, incorporating improvements in performance, durability, and ease of use. It is widely used in robotics, aerospace, automation, and other industries where precise motion control is crucial.The main components of a CD-U2 Series Harmonic Drive Reducer include a wave generator, flex spline, and circular spline. The wave generator is connected to the input shaft and produces a wave-like motion that deforms the flex spline. This deformation causes the teeth of the flex spline to engage with the teeth of the circular spline, creating torque transmission.The unique design of the CD-U2 series harmonic drive reducer ensures zero backlash, which means there is no play or lost motion between the input and output shafts. This is achieved by the preloading of the flex spline against the circular spline, resulting in highly accurate positioning and repeatability.



| reduction ratio/models | 14 | 17 | 20 | 25 | 32 |
| 050 | 5.3 | 7.5 | 9.7 | 17 | 34 |
| 080 | 3.8 | 4.9 | 6.2 | 11 | 23 |
| 100 | 3.2 | 4.2 | 5.5 | 9.6 | 21 |
| 120 | - | 4.0 | 4.8 | 8.6 | 18 |
| 160 | - | - | 4.1 | 7.4 | 16 |
| Models | Roller pitch circle diameter | offset | Basic load rating | Allowable Moment Load Mc | Torque rigidity Km | |
| dp | R | Basic dynamic rated load cr | Basic static load rating | Nm | Nm/rad | |
| m | m | N | N | |||
| 14 | 0.050 | 0.0018 | 57.8 X 10^2 | 90 X 10^2 | 91 | 12.8 X 10^4 |
| 17 | 0.060 | 0.0123 | 104 X 10^2 | 1 63 X 10^2 | 124 | 15.4 X 10^4 |
| 20 | 0.070 | 0.0128 | 146 X 10^2 | 220 X 10^2 | 187 | 25.2 X 10^4 |
| 25 | 0.085 | 0.0140 | 218 X 10^2 | 358X 10^2 | 258 | 39.2 X 10^4 |
| 32 | 0.111 | 0.0168 | 38 2 X 10^2 | 654 X 10^2 | 580 | 100 X 10^4 |



![]() | ![]() |
| Robotic Arms | Precision Instruments |
![]() | ![]() |
![]() | ![]() |
Address
Luotuo Industrial Area, Zhenhai District, Ningbo City, China
Tel
