CF/CG-A Series Harmonic Drive (Strain Wave Gear Reducer)
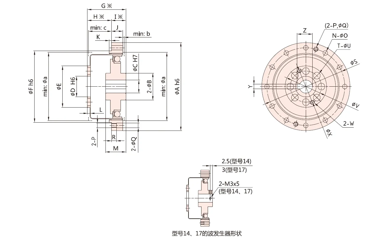
The CF-CG-A series harmonic drive reducer is a type of precision gear mechanism widely used in various industrial applications. It is designed to provide high precision, compact size, and exceptional torque transmission capabilities. The CF-CG-A series harmonic drive reducer consists of three main components: a wave generator, a flex spline, and a circular spline. The wave generator is connected to a motor or other input source and generates an elliptical motion. This motion is transferred to the flex spline, which is a thin, flexible metal ring with external teeth. The flex spline fits inside the circular spline, which has internal teeth that mesh with the flex spline.The interaction between the wave generator, flex spline, and circular spline creates a unique gear mechanism. As the wave generator rotates, it causes the flex spline to deform, resulting in a rolling motion between the teeth of the flex spline and the circular spline. This rolling motion allows for high gear reduction ratios and precise torque transmission.One of the key advantages of the CF-CG-A series harmonic drive reducer is its ability to achieve high reduction ratios in a compact design. This makes it suitable for applications where space is limited or weight needs to be minimized. Additionally, the harmonic drive technology ensures zero backlash, meaning there is no play or clearance between the teeth of the flex spline and the circular spline. This characteristic makes the CF-CG-A series harmonic drive reducer ideal for applications requiring high positional accuracy and repeatability.The CF-CG-A series harmonic drive reducer is used in various industries, including robotics, aerospace, automation, and precision machinery. Its applications range from robotic arms and joints to positioning systems, machine tools, and optical devices. The reducer's ability to provide high torque transmission, compact size, and precise motion control makes it a popular choice in these industries.



| reduction ratio/models | 14 | 17 | 20 | 25 | 32 | 40 | 45 | 50 |
| 030 | 4.3 | 6.5 | 11 | 19 | 45 | - | - | - |
| 050 | 3.3 | 5.1 | 6.6 | 12 | 26 | 46 | 63 | 86 |
| 080 | 2.4 | 3.3 | 4.1 | 7.7 | 16 | 29 | 41 | 54 |
| 100 | 2.1 | 2.9 | 3.7 | 6.9 | 15 | 26 | 36 | 48 |
| 120 | - | 2.7 | 3.3 | 6.3 | 13 | 24 | 33 | 45 |
| 160 | - | - | 2.9 | 5.5 | 12 | 21 | 29 | 39 |
| reduction ratio/models | 14 | 17 | 20 | 25 | 32 | 40 | 45 | 50 |
| 050 | 3.6 | 5.6 | 7.3 | 13 | 29 | 51 | 69 | - |
| 080 | 2.6 | 3.6 | 4.5 | 8.5 | 18 | 32 | 45 | 59 |
| 100 | 2.3 | 3.2 | 4.1 | 7.6 | 17 | 29 | 40 | 53 |
| 120 | - | 3.0 | 3.6 | 6.9 | 14 | 26 | 36 | 50 |
| 160 | - | - | 3.2 | 6.1 | 13 | 23 | 32 | 43 |



![]() | ![]() |
![]() | ![]() |
Address
Luotuo Industrial Area, Zhenhai District, Ningbo City, China
Tel
