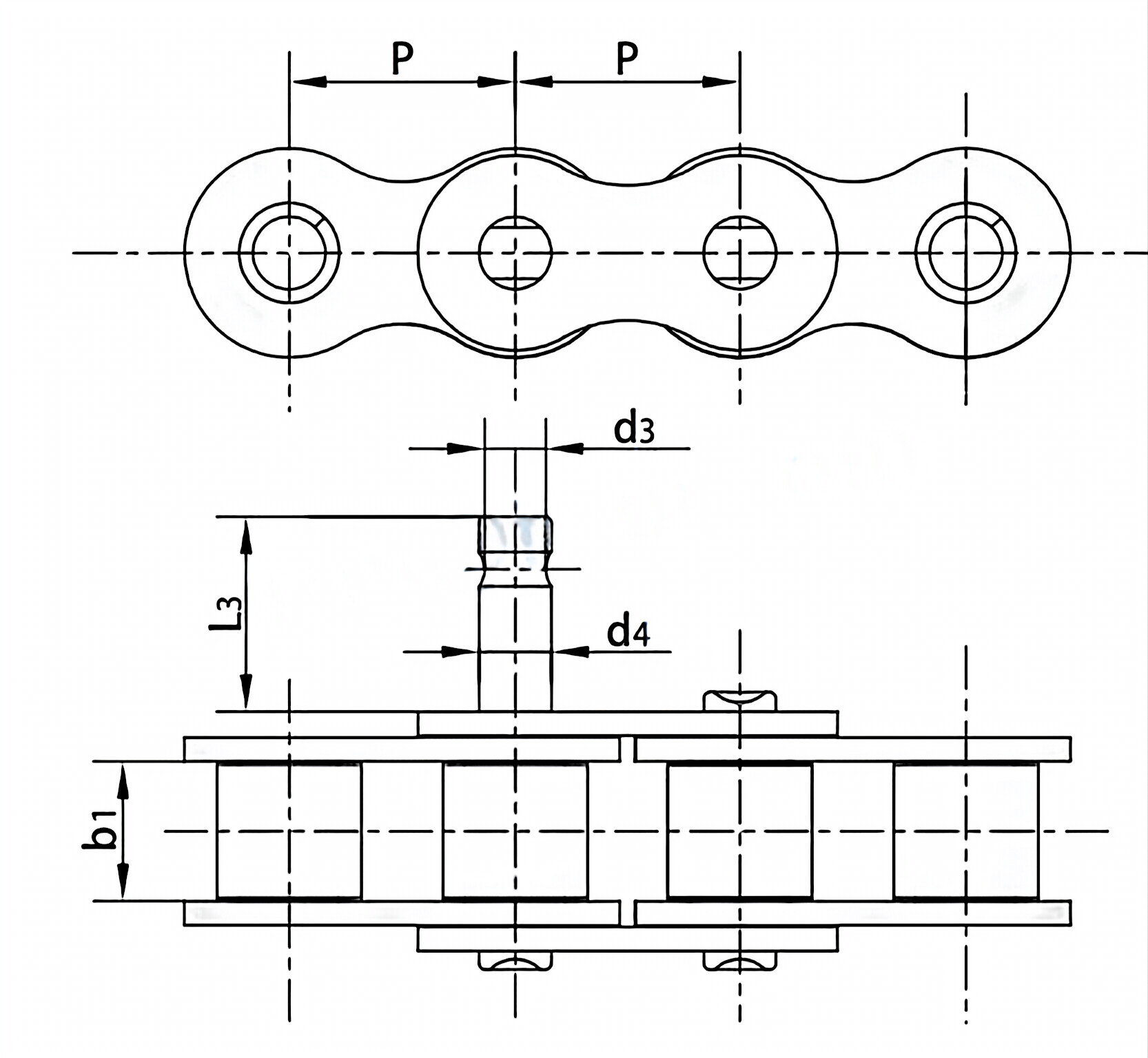
Conveyor Chains with Special Extended Pins
12AF19 12BF13 10B-D9 10B-D12 12B-D8
Whether your needs involve conveying dry materials, conveying liquids, or handling two-piece construction cans and tubes, conveyor chains with special extended pins will help you move goods smoothly. These special attachments are made of stainless steel or surface-treated stainless steel. Various styles are available to meet your needs.







Address
Luotuo Industrial Area, Zhenhai District, Ningbo City, China
Tel
