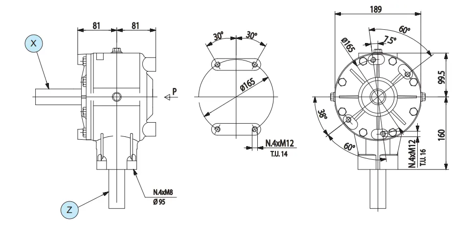
Corn Header Gearbox – Replacement of Comer Code T-304A
The corn header gearbox is responsible for transferring power from the combine’s engine to the rotating blades that cut and separate the corn stalks. The gearbox typically operates at high speed, with gear ratios that vary depending on the combine’s engine and the specific requirements of the corn header. The gearbox also serves to control the speed and direction of the rotating blades, allowing them to operate efficiently and effectively in a wide range of harvesting conditions.

| Product details |
|
|---|---|
| Application range |
|
| Consists of |
|


Address
Luotuo Industrial Area, Zhenhai District, Ningbo City, China
Tel
