

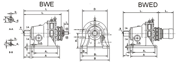
Appearance and installation dimension (mm)
Frame | Centerheight | Installation dimension | Outer side dimension | ||||||||||||||
A1 | A0 | B1 | B0 | h | s | Hole | Output shaft | Input shaft | |||||||||
n | d0 | d1 | b1 | c1 | l1 | d2 | b2 | c2 | l2 | ||||||||
130 | 160 | 78 | 200 | 75 | 340 | 25 | M12 | 4 | 17 | 55 | 16 | 59 | 80 | 15 | 5 | 17 | 22 |
131 | 18 | 6 | 20.5 | 35 | |||||||||||||
141 | 200 | 53 | 320 | 80 | 22 | 70 | 20 | 74.5 | 102 | ||||||||
152 | 240 | 39 | 380 | 420 | 32 | M16 | 90 | 25 | 95 | 120 | 22 | 24.5 | 40 | ||||
153 | 30 | 8 | 33 | 55 | |||||||||||||
163 | 290 | 45 | 480 | 90 | 560 | 35 | M20 | 26 | 100 | 28 | 106 | 140 | |||||
174 | 325 | 80 | 500 | 120 | 630 | 40 | 30 | 120 | 32 | 127 | 165 | 35 | 10 | 38 | 60 | ||
184 | 420 | 122 | 330? | 160 | 800 | 50 | 2-M20 | 6 | 32 | 140 | 36 | 148 | 210 | ||||
Frame | Outer side dimension | 重量kg | ||||||
A | B | H | D | Double Shaft style | Flange style | |||
L | L1 | L2 | ||||||
130 | 250 | 390 | 356 | 300 | 414 | 367 | Accordingto motor size | 82 |
131 | 448 | 383 | 100 | |||||
141 | 380 | 400 | 425 | 340 | 519 | 447 | 153 | |
152 | 440 | 470 | 529 | 430 | 633 | 552 | 245 | |
153 | 666 | 566 | 265 | |||||
163 | 560 | 620 | 614 | 500 | 755 | 655 | 460 | |
174 | 600 | 690 | 706 | 580 | 860 | 750 | 710 | |
184 | 810 | 880 | 883 | 710 | 1077 | 959 | 1270 | |
Address
Luotuo Industrial Area, Zhenhai District, Ningbo City, China
Tel
