

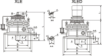
Appearance and installation dimension
(mm)Frame | Installation dimension | Shaft end dimension | ||||||||||||||
D1 | D2 | E | h | R | s | Hole | Output shaft | Input shaft | ||||||||
n | d0 | d1 | b1 | c1 | l1 | d2 | b2 | c2 | l2 | |||||||
31 | 200 | 170 | 50 | 15 | 4 | M8 | 6 | 12 | 35 | 10 | 38 | 45 | 15 | 5 | 17 | 25 |
42 | 230 | 200 | 79 | M10 | 45 | 14 | 48.5 | 63 | ||||||||
53 | 310 | 270 | 93 | 20 | M12 | 55 | 16 | 59 | 79 | 18 | 6 | 20.5 | 35 | |||
63 | 360 | 316 | 92 | 22 | 5 | 8 | 16 | 65 | 18 | 69 | 80 | |||||
74 | 390 | 345 | 114 | 18 | 80 | 22 | 85 | 98 | 22 | 24.5 | 40 | |||||
84 | 450 | 400 | 112 | 30 | 6 | M16 | 12 | 90 | 25 | 95 | 110 | |||||
85 | 30 | 8 | 33 | 45 | ||||||||||||
95 | 520 | 455 | 170 | 35 | 8 | M20 | 22 | 100 | 28 | 106 | 129 | |||||
106 | 590 | 520 | 174 | 40 | 10 | 110 | 116 | 140 | 35 | 10 | 38 | 54 | ||||
117 | 800 | 680 | 210 | 45 | 2-M20 | 38 | 130 | 32 | 137 | 184 | 40 | 12 | 43 | 65 | ||
(mm)
Frame | Outer side dimension | kg | |||||||
D | Double Shaft style | Flange style | |||||||
L | L1 | L2 | B2 | ||||||
31 | 230 | 310 | 258 | Accordingto motor size | 35 | ||||
42 | 260 | 384 | 326 | 75 | |||||
53 | 340 | 457 | 383 | 94 | |||||
63 | 400 | 519 | 447 | 149 | |||||
74 | 430 | 589 | 508 | 193 | |||||
84 | 490 | 633 | 552 | 280 | |||||
85 | 656 | 566 | 310 | ||||||
95 | 580 | 745 | 655 | 495 | |||||
106 | 650 | 855 | 754 | 667 | |||||
117 | 880 | 1081 | 963 | 1290 | |||||
Note:Matching tolerance of shaft d1/d2 is h6
Address
Luotuo Industrial Area, Zhenhai District, Ningbo City, China
Tel
