

DKS | Shaft Direction ![]() |
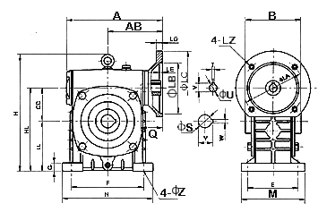
| SIZE | KW | RATIO | A | AB | B | CC | E | F | H | HL | LL | M | N | G | Z | FLANGE | INPUT HOLE | OUTPUT SHAFT | KG | ||||||||
| LA | LB | LC | LE | LG | LZ | Q | U | T×V | S | W×Y | |||||||||||||||||
| 50 | 0.18 | 1/101/201/301/401/501/60 | 155 | 84 | 107 | 50 | 95 | 110 | 180 | 130 | 80 | 120 | 140 | 15 | 11 | 115 | 95 | 140 | 5 | 10 | M8 | 25 | 11 | 4×12.8 | 20 | 6×22.8 | 8 |
| 60 | 0.37 | 170 | 92 | 117 | 60 | 105 | 120 | 205 | 150 | 90 | 130 | 150 | 20 | 11 | 130 | 110 | 160 | 5 | 12 | M8 | 35 | 14 | 5×16.3 | 25 | 8×28.3 | 10.5 | |
| 70 | 0.37 | 206 | 110 | 131 | 70 | 115 | 150 | 235 | 175 | 105 | 150 | 190 | 25 | 15 | 130 | 110 | 160 | 5 | 12 | M8 | 35 | 14 | 5×16.3 | 30 | 8×33.3 | 17 | |
| 0.75 | 165 | 130 | 200 | 15 | M10 | 45 | 19 | 6×21.8 | |||||||||||||||||||
| 80 | 0.75 | 232 | 128 | 144 | 80 | 135 | 180 | 265 | 200 | 120 | 170 | 220 | 25 | 15 | 165 | 130 | 200 | 5 | 15 | M10 | 45 | 19 | 6×21.8 | 35 | 10×38.3 | 26 | |
| 1.5 | 55 | 24 | 8×27.3 | ||||||||||||||||||||||||
| 100 | 1.5 | 266 | 145 | 175 | 100 | 155 | 220 | 327 | 250 | 150 | 190 | 260 | 25 | 15 | 165 | 130 | 200 | 5 | 15 | M10 | 55 | 24 | 8×27.3 | 40 | 12×43.3 | 38 | |
| 120 | 2.2 | 340 | 182 | 200 | 120 | 180 | 260 | 388 | 300 | 180 | 230 | 320 | 30 | 18 | 215 | 180 | 250 | 5 | 18 | M12 | 65 | 28 | 8×31.3 | 45 | 14×48.8 | 60 | |
| 3.0 | |||||||||||||||||||||||||||
| 135 | 3.0 | 375 | 200 | 212 | 135 | 200 | 290 | 445 | 350 | 215 | 250 | 350 | 30 | 18 | 215 | 180 | 250 | 5 | 18 | M12 | 65 | 28 | 8×31.3 | 60 | 18×64.4 | 85 | |
| 4.0 | |||||||||||||||||||||||||||
| 155 | 5.5 | 442 | 236 | 312 | 155 | 220 | 320 | 483 | 390 | 235 | 280 | 390 | 38 | 20 | 265 | 230 | 300 | 5 | 20 | M12 | 85 | 38 | 10×41.3 | 70 | 20×74.9 | 120 | |
| 175 | 7.5 | 465 | 240 | 334 | 175 | 250 | 350 | 550 | 435 | 266 | 310 | 430 | 40 | 20 | 265 | 230 | 300 | 6 | 18 | M12 | 85 | 38 | 10×41.3 | 80 | 22×85.4 | 150 | |
Address
Luotuo Industrial Area, Zhenhai District, Ningbo City, China
Tel
