

DSY![]() | Shaft Direction ![]() |
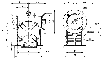
| SIZE | RATIO | A | A1 | AB | BB | CC | E | F | M | N | H | HL | LL | G | Z | OUTPUT SHAFT | NEMA Frame | ||
| S | LS | T×V | |||||||||||||||||
| 60 | 5:110:115:120:130:140:150:160:1 | 3.09 | 4.43 | 4.33 | 2.362 | 4.13 | 4.72 | 5.12 | 5.91 | 8.07 | 5.91 | 3.54 | 0.75 | 0.43 | 1.000 | 1.97 | 1/4×1/8 | 56C 140TC | |
| 70 | 3.76 | 4.63 | 5.12 | 2.756 | 4.53 | 5.91 | 5.91 | 7.48 | 9.25 | 6.89 | 4.13 | 0.87 | 0.59 | 1.125 | 2.36 | 1/4×1/8 | 56C 140TC | ||
| 80 | 4.11 | 5.84 | 5.51 | 3.150 | 5.31 | 7.09 | 6.69 | 8.66 | 10.43 | 7.87 | 4.72 | 0.87 | 0.59 | 1.375 | 2.56 | 5/6×5/32 | 56C 140TC 180TC | ||
| 100 | 4.78 | 6.51 | 6.10 | 3.937 | 6.10 | 8.66 | 7.48 | 10.24 | 12.87 | 9.84 | 5.91 | 0.98 | 0.59 | 1.500 | 2.95 | 3/8×3/16 | 56C 140TC 180TC | ||
| 120 | 6.10 | 8.26 | 7.48 | 7.28 | 4.724 | 7.09 | 10.24 | 9.06 | 12.60 | 15.28 | 11.81 | 7.09 | 1.18 | 0.71 | 1.750 | 3.35 | 3/8×3/16 | 180TC 210TC | |
| 135 | 6.89 | 9.06 | 8.32 | 8.27 | 5.315 | 7.87 | 11.42 | 9.84 | 13.78 | 17.52 | 13.78 | 8.46 | 1.18 | 0.71 | 2.250 | 3.74 | 1/2×1/4 | 180TC 210TC | |
| 155 | 7.64 | 10.24 | 9.35 | 9.92 | 6.102 | 8.66 | 12.60 | 11.02 | 15.35 | 19.02 | 15.35 | 9.25 | 1.38 | 0.79 | 2.500 | 4.33 | 5/8×5/16 | 180TC 210TC | |
| 175 | 8.78 | 11.42 | 11.02 | 10.31 | 6.890 | 9.84 | 13.78 | 12.20 | 16.93 | 21.26 | 17.13 | 10.24 | 1.46 | 0.79 | 2.750 | 4.33 | 5/8×5/16 | 180TC 210TC 250TC | |
Address
Luotuo Industrial Area, Zhenhai District, Ningbo City, China
Tel
