

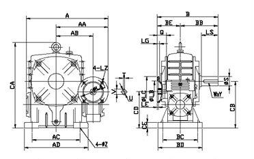
EDA | Shaft Direction ![]() |
| SIZE | KW | RATIO | A | AA | AB | F | N | B | BB | E | M | BE | H | LL | CD | G | Z | FLANGE | INPUT HOLE | OUTPUT SHAFT | |||||||||
| LA | LB | LC | LE | LG | LZ | Q | U | T×V | LS | S | W×Y | ||||||||||||||||||
| 40-60 | 0.12 | 1/2001/3001/4001/5001/6001/8001/900 | 258 | 182 | 112 | 120 | 150 | 186 | 110 | 105 | 130 | 76 | 210 | 120 | 100 | 20 | 11 | 115 | 95 | 140 | 5 | 10 | M8 | 25 | 11 | 4×12.8 | 50 | 22 | 7×4 |
| 50-80 | 0.18 | 314 | 209 | 139 | 180 | 220 | 224 | 140 | 135 | 170 | 84 | 278 | 160 | 130 | 20 | 15 | 115 | 95 | 140 | 5 | 10 | M8 | 25 | 11 | 4×12.8 | 65 | 32 | 10×4.5 | |
| 60-100 | 0.37 | 363 | 241 | 161 | 220 | 260 | 247 | 155 | 155 | 190 | 92 | 372 | 200 | 160 | 25 | 15 | 130 | 110 | 160 | 5 | 12 | M8 | 35 | 14 | 5×16.3 | 75 | 38 | 10×4.5 | |
| 70-120 | 0.37 | 429 | 275 | 195 | 260 | 320 | 295 | 185 | 180 | 230 | 110 | 430 | 240 | 190 | 30 | 18 | 130 | 110 | 160 | 5 | 12 | M8 | 35 | 14 | 5×16.3 | 85 | 45 | 12×4.5 | |
| 0.75 | 449 | 295 | 165 | 130 | 200 | 15 | M10 | 45 | 19 | 6×21.8 | |||||||||||||||||||
| 80-135 | 0.75 | 505 | 330 | 230 | 290 | 350 | 338 | 210 | 200 | 250 | 128 | 491 | 270 | 215 | 30 | 18 | 165 | 130 | 200 | 5 | 15 | M10 | 45 | 19 | 6×21.8 | 95 | 55 | 15×5 | |
| 1.5 | 55 | 24 | 8×27.3 | ||||||||||||||||||||||||||
| 100-155 | 1.5 | 565 | 365 | 265 | 320 | 390 | 397 | 252 | 220 | 280 | 145 | 526 | 290 | 235 | 38 | 20 | 165 | 130 | 200 | 5 | 15 | M10 | 55 | 24 | 8×27.3 | 110 | 60 | 15×5 | |
| 120-175 | 2.2 | 635 | 415 | 290 | 350 | 430 | 444 | 262 | 250 | 310 | 182 | 565 | 335 | 280 | 40 | 20 | 215 | 180 | 250 | 5 | 18 | M12 | 65 | 28 | 8×31.3 | 110 | 65 | 18×6 | |
| 3.0 | |||||||||||||||||||||||||||||
| 135-200 | 3.0 | 691 | 448 | 323 | 390 | 480 | 505 | 305 | 290 | 360 | 200 | 625 | 375 | 310 | 42 | 22 | 215 | 180 | 250 | 5 | 18 | M12 | 65 | 28 | 8×31.3 | 125 | 70 | 20×7 | |
Address
Luotuo Industrial Area, Zhenhai District, Ningbo City, China
Tel
