Raydafon Technology Group Co.,Limited
Raydafon Technology Group Co.,Limited
Products
Products
EP403T Planetary Track Drive EP403W Winch Drive EP603L Wheel Drives

EP403T Planetary Track Drive EP403W Winch Drive EP603L Wheel Drives

Raydafon Group presents the EP403T Planetary Track Drive, EP403W Winch Drive, and EP603L Wheel Drives—durable, high-performance drives for heavy-duty machinery and vehicles. Engineered with precision, these robust components ensure reliability in construction, mining, and off-road applications, delivering unmatched efficiency and durability. Ideal for professionals seeking powerful, long-lasting solutions, they offer smooth operation and enhanced productivity. Experience superior strength and innovation, backed by Raydafon Group's quality commitment. Elevate your equipment today!

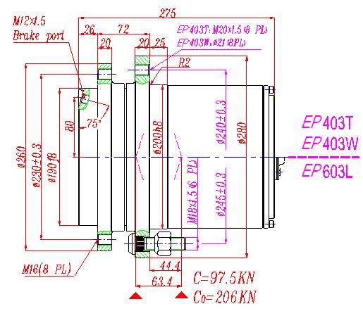
EP403T2 TRACK DRIVES-(703C2H),EP403W2 WINCH DRIVES,EP603L2 WHEEL DRIVES

EP403T Planetary Track Drive EP403W Winch Drive EP603L Wheel Drives

Technical specification

Max.Output Torque(N.m)

Ratio(i)

Recommend Hydraulic Motor

Max. input speed(rpm)

Brake torque(N.m)

Brake work pressure(bar)

EP402T

EP402W

EP602L

7000

----

7000

18.624.429.337.1

EATON, 2KSAE A adoptφ25 Shaft Z13,DP16/32 Spline

4000

----

----

    • Input rotation opposite output rotation.
    • Other ratio and other input type can be specially designed.
    • If with manual disconnect device, please add mark “M” at the end of the product model.
    • Without brake.
Hot Tags: Planetary Track Drive Wholesale, Winch Drive Manufacturer, Wheel Drives for Sale
Send Inquiry
Contact Info
Get customized quotes for transmission components, gearboxes, and machinery. Our engineers will respond within 24 hours.
Online
X
We use cookies to offer you a better browsing experience, analyze site traffic and personalize content. By using this site, you agree to our use of cookies. Privacy Policy
Reject Accept