

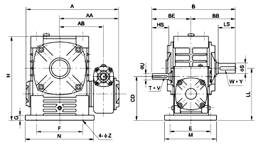
EWA | Shaft Direction ![]() |
| SIZE | RATIO | A | AA | AB | F | N | B | BB | E | M | BE | H | LL | CD | G | Z | INPUT SHAFT | OUTPUT SHAFT | ||||
| HS | U | T×V | LS | S | W×Y | |||||||||||||||||
| 40-60 | 1/200 1/300 1/400 1/500 1/600 1/800 1/900 | 232 | 156 | 112 | 120 | 150 | 201 | 110 | 105 | 130 | 91 | 195 | 120 | 100 | 18 | 11 | 25 | 12 | 4×2.5 | 50 | 22 | 7×4 |
| 50-80 | 297 | 192 | 139 | 180 | 220 | 245 | 140 | 135 | 170 | 105 | 268 | 163 | 133 | 18 | 15 | 30 | 12 | 4×2.5 | 65 | 32 | 10×4.5 | |
| 60-100 | 337 | 215 | 161 | 220 | 270 | 283 | 163 | 155 | 190 | 120 | 330 | 200 | 160 | 20 | 15 | 40 | 15 | 5×3 | 75 | 38 | 10×4.5 | |
| 70-120 | 412 | 258 | 195 | 260 | 320 | 325 | 185 | 180 | 230 | 140 | 395 | 240 | 190 | 25 | 18 | 40 | 18 | 5×3 | 85 | 45 | 12×4.5 | |
| 80-135 | 475 | 300 | 230 | 290 | 350 | 370 | 210 | 200 | 250 | 160 | 455 | 270 | 215 | 30 | 18 | 50 | 22 | 7×4 | 95 | 55 | 15×5 | |
| 100-155 | 549 | 349 | 265 | 320 | 380 | 430 | 252 | 220 | 280 | 178 | 493 | 290 | 235 | 32 | 20 | 50 | 25 | 7×4 | 110 | 60 | 15×5 | |
| 120-175 | 605 | 385 | 290 | 350 | 410 | 492 | 262 | 250 | 310 | 230 | 558 | 335 | 280 | 37 | 20 | 65 | 30 | 7×4 | 110 | 65 | 18×6 | |
| 135-200 | 674 | 431 | 323 | 350 | 435 | 565 | 305 | 290 | 360 | 260 | 620 | 375 | 310 | 45 | 22 | 75 | 35 | 10×4.5 | 125 | 70 | 20×7 | |
Address
Luotuo Industrial Area, Zhenhai District, Ningbo City, China
Tel
