Fertilizer Mixer Gearboxes - Replacement of Comer Code MR-90 1:1
The fertilizer mixer gearbox MR-90 is a mechanical device that is used in agricultural applications to mix and blend fertilizer materials. It is designed to convert the rotational motion from a tractor's PTO (Power Take-Off) shaft into the linear motion needed to drive the mixing blades of the fertilizer mixer.The MR-90 fertilizer mixer gearbox is typically made of heavy-duty cast iron or steel to withstand the high torque and rotational forces generated by the mixing blades. It contains multiple gear ratios that allow for the efficient mixing of various types of fertilizer materials. These gear ratios can be adjusted to match the specific mixing requirements of the application, allowing for optimal performance and efficiency.The fertilizer mixer gearbox MR-90 also contains sealed bearings to protect the internal components from dirt and debris. This helps to extend the life of the gearbox and reduce maintenance requirements. The sealed bearings also ensure that the fertilizer mixer gearbox operates smoothly and quietly, providing a more comfortable and efficient mixing experience.The input and output shafts of the MR-90 fertilizer mixer gearbox are designed to provide a strong and reliable connection between the tractor and the fertilizer mixer. The input shaft connects to the tractor's PTO shaft, while the output shaft connects to the mixing blades of the fertilizer mixer. This allows for efficient transfer of power and smooth operation of the mixing blades.When selecting an MR-90 fertilizer mixer gearbox, it is important to choose a model that is rated for the appropriate horsepower and torque requirements of the fertilizer mixer. This ensures that the gearbox can handle the demands of the mixing application and provides optimal performance and efficiency. It is also important to consider the operating conditions and mixing needs of the specific application when selecting a fertilizer mixer gearbox, as this can impact the performance and longevity of the gearbox.Overall, the fertilizer mixer gearbox MR-90 is a versatile and reliable tool that is commonly used in agricultural applications for mixing and blending fertilizer materials. It provides durability, efficiency, smooth operation, reliable power transfer, and versatility, making it a popular and reliable tool in the industry.![]() | ![]() |

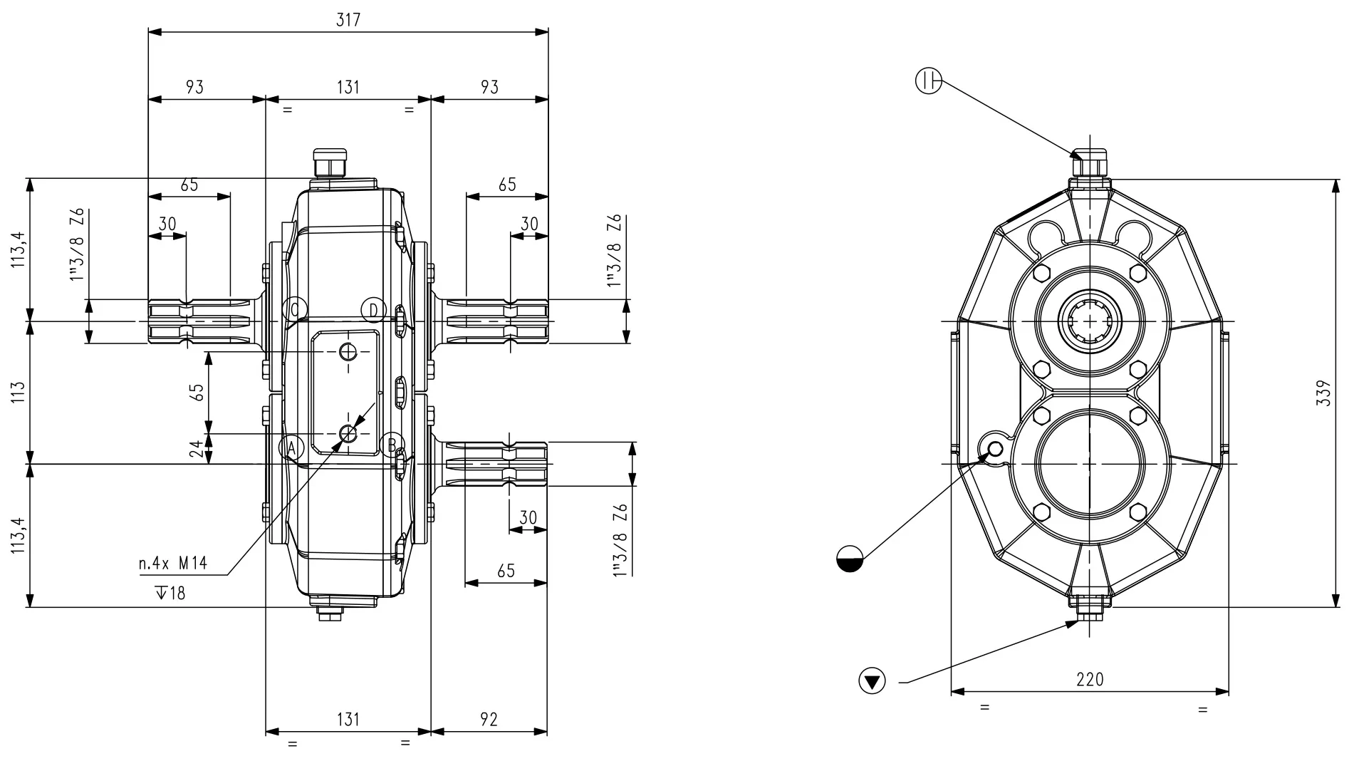
| Product Description | Fertilizer Mixer Gearboxes - Replacement of Comer Gearbox MR-90 1:1 |
|---|---|
| Product details |
|
| Application range |
|
| Consists of |
|
| Max. input power | 62.6 kW |
| Max. output torque | 1071 nm |
| Max. output torque | 107.1 daNm |
| Contains oil | No |
| Max. oil capacity | 0.8 l |
| Max. oil change interval | 500 h |
| Oil SAE viscosity grade | 80W-90 |
| Housing material | Cast iron GG25 |
| Weight | 27.5 kg |
| Gear arrangement | 43 - 44 |
| Ratio | 1:1 |
| Input section | Y |
| Input shaft | Y |
| Shaft X | 1 3/8" (6) (C) |
| Shaft Y | 1 3/8" (6) (A) |
| Shaft Z | 1 3/8" (6) (A) |
![]() | ![]() |


Address
Luotuo Industrial Area, Zhenhai District, Ningbo City, China
Tel
