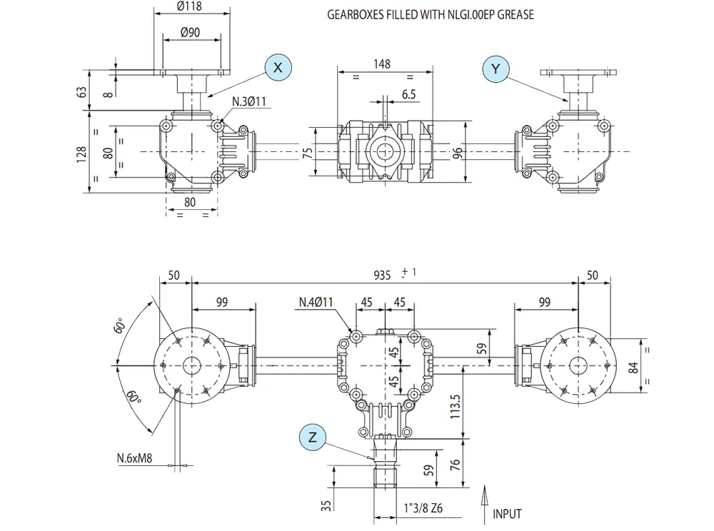
Fertilizer Spreader Gearbox – Replacement of Comer Code L-150C
A fertilizer spreader gearbox is a type of gearbox used to spread fertilizer over large areas of land. It is typically used in agriculture and landscaping applications. The gearbox is designed to reduce the speed of the motor, allowing for more precise and even spreading of the fertilizer. The gearbox also helps to reduce the amount of power needed to operate the spreader, which helps to reduce fuel costs. Additionally, the gearbox helps to reduce wear and tear on the motor, extending its life.



Address
Luotuo Industrial Area, Zhenhai District, Ningbo City, China
Tel
