Fertilizer Spreader Gearbox – Replacement of Comer Code L-25A
The L-25A is a type of fertilizer spreader gearbox that is commonly used in agriculture. It is specifically designed to attach to fertilizer spreaders and to distribute fertilizer evenly across agricultural fields. The L-25A fertilizer spreader gearbox is known for its durability and reliability, allowing farmers to efficiently and effectively distribute fertilizer across large areas of land. It is designed with high-quality materials and precision engineering, ensuring that it can withstand the harsh conditions and heavy loads commonly found in agricultural settings.The fertilizer spreader gearbox L-25A is typically powered by a PTO shaft that is connected to a tractor or other motorized equipment. This allows the gearbox to distribute fertilizer evenly across the field as the equipment moves forward. Overall, the fertilizer spreader gearbox L-25A is a key component of many agricultural operations, helping farmers to distribute fertilizer more efficiently and effectively than ever before.![]() | ![]() |
![]() | ![]() |
| Product Description | Fertilizer Spreader Gearbox – Replacement of Comer Gearbox L-25A |
|---|---|
| Product details |
|
| Application range |
|
| Consists of |
|
| Contains oil | No |
| Max. oil capacity | 0.35 l |
| Max. oil change interval | 500 h |
| Oil SAE viscosity grade | 80W-90 |
| Housing material | Aluminium |
| Weight | 4.2 kg |
| Input power kW / HP Increasing | 5 / 6.8 kW/HP |
| Input power KW / HP Reducing | 2.2 / 3 kW/HP |
| Output Torque DaNm Increasing | 2.9 daNm |
| Ratio Increasing | 1 : 3 |
| Ratio Reducing | 3:1 |
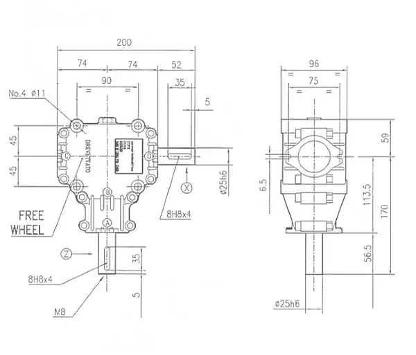
| Input shaft | X |
| Shaft X | 25 h6 |
| Shaft Z | 25 h6 |



![]() | ![]() |

![]() | |
![]() | ![]() |
Address
Luotuo Industrial Area, Zhenhai District, Ningbo City, China
Tel
