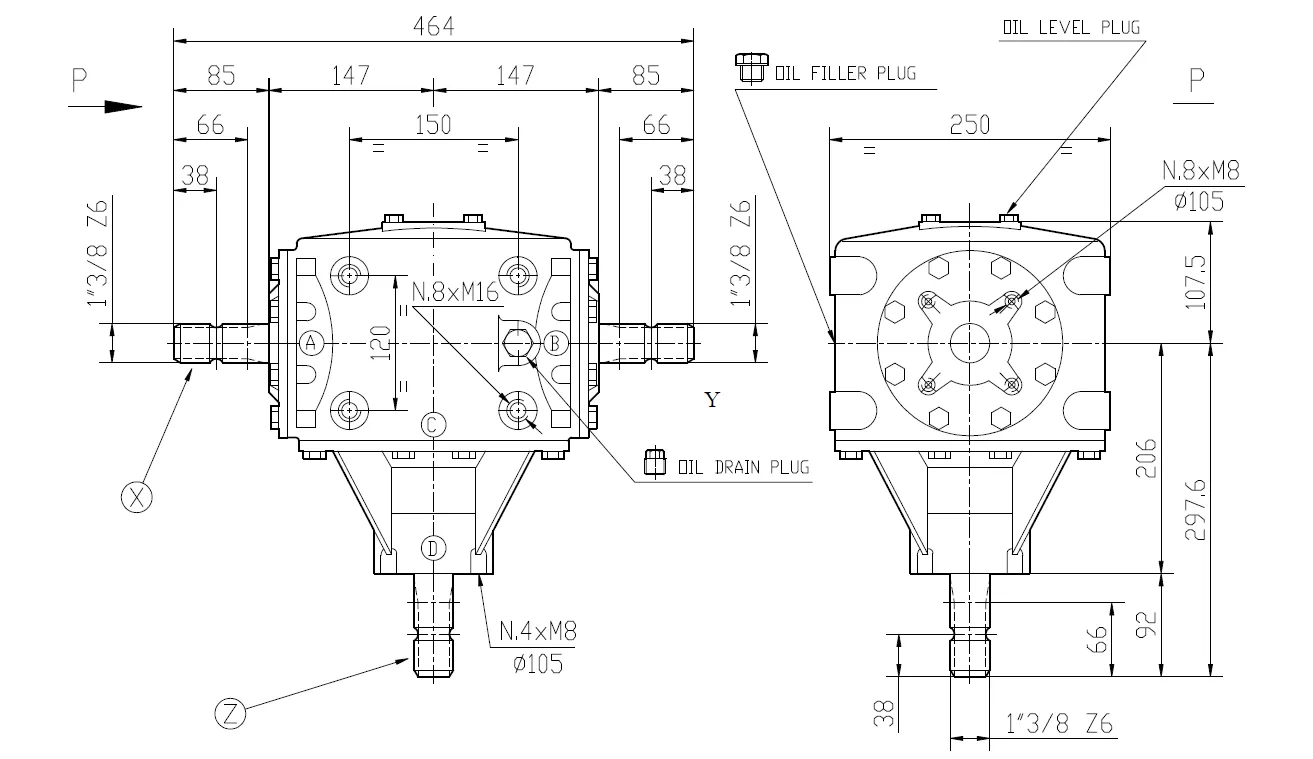
Flail Mower Gearbox - Replacement of Comer Code T-269B (3:1)
The gearbox T-269B is a type of gearbox used in flail mowers. Flail mowers are a type of agricultural machinery that is used to cut or shred vegetation such as grass, weeds, and brush. The flail mower gearbox T-269B is a critical component of the flail mower and is responsible for transmitting power from the tractor engine to the mower blades. The flail mower gearbox T-269B is a heavy-duty gearbox designed to withstand the high loads and stresses of flail mower operation. It is typically made of cast iron or other durable materials and features a rugged design that is built to last.The flail mower gearbox is designed to be easy to maintain, with easily accessible oil fill and drain ports. It typically requires regular maintenance, such as oil changes and lubrication of the moving parts, to ensure proper operation and prevent premature wear. Overall, the flail mower gearbox T-269B is an essential component of the flail mower and plays a crucial role in its operation. It is important to choose a high-quality gearbox and to maintain it properly to ensure reliable performance and long service life.![]() | ![]() |

| Description | Flail Mower Gearbox - Replacement of Comer Gearbox T-269B (3:1) |
|---|---|
| Application | Various (agricultural) applications, Flail Mowers |
| Consists of |
|
| Technical information |
|
| Max. input rotation speed | 540 r/min |
| Max. input power | 39 kW |
| Max. output torque | 2005 nm |
| Contains oil | No |
| Max. oil capacity | 3.3 l |
| Max. oil change interval | 500 h |
| Oil SAE viscosity grade | 80W-90 |
| Housing material | Cast iron GGG40 |
| Weight | 36.5 kg |
| Gear arrangement | 33 - 34 |
| Ratio | 3: 1 |
| Input shaft | Z |
| Shaft X | 1 3/8" (6) |
| Shaft Y | 1 3/8" (6) |
| Shaft Z | 1 3/8" (6) |

![]() | ![]() |


Address
Luotuo Industrial Area, Zhenhai District, Ningbo City, China
Tel
