Flail Mower Gearbox - Replacement of Comer Code T-310A
Flail mower gearbox T-310A is a type of gearbox used in flail mowers to transfer power from the PTO shaft of a tractor to the blades of the flail mower. It is designed to provide high torque and efficient power transmission to the blades, allowing for effective cutting and shredding of grass, weeds, and other vegetation. This flail mower gearbox is known for its strength, durability, and ability to withstand harsh conditions, making it a popular choice among farmers and landscapers. The flail mower gearbox T-310A is manufactured by many companies and can be used with various brands of flail mowers.![]() | ![]() |

| Product Description | Flail Mower Gearbox - Replacement of Comer Gearbox T-310A |
|---|---|
| Product details |
|
| Type | RT1000 |
| Model | T-310A |
| Max. input power | 22.1 kW |
| Max. input torque | 420 nm |
| Max. output torque | 12.6 daNm |
| Connection 1 type | Splined |
| Connection 2 type | n/a |
| Contains oil | No |
| Max. oil capacity | 0.8 l |
| Max. oil change interval | 500 h |
| Oil SAE viscosity grade | 80W-90 |
| Housing material | Cast iron GGG40 |
| Original number equivalent | 310702 |
| Weight | 18 kg |
| Gear arrangement Increasing | 21 - 22 |
| Gear ratio | 1 : 3 |
| Input shaft Increasing | X |
| Input shaft Reducing | Z |
| Output Torque DaNm Increasing | 12.6 daNm |
| Ratio Increasing | 1 : 3 |
| Ratio Reducing | 3 : 1 |
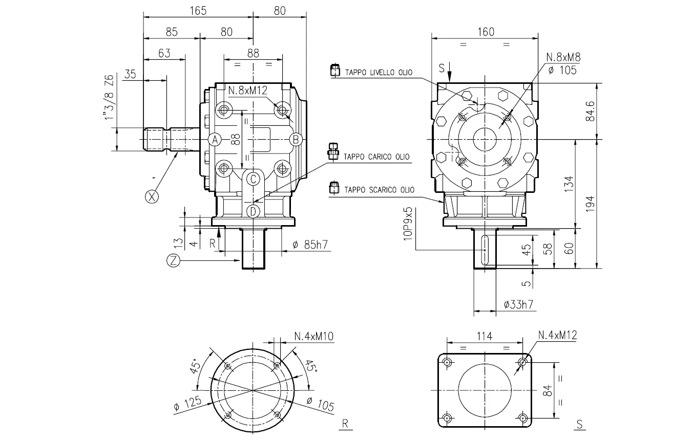
| Shaft X | 1 3/8" (6) Z6 |
| Shaft Z | 33 h7 |

![]() | ![]() |

![]() | ![]() |
| Flail Mower Gearbox | Rotary Mower Gearbox |
![]() | ![]() |

Address
Luotuo Industrial Area, Zhenhai District, Ningbo City, China
Tel
