Flail Mower Gearboxes - Replacement of Comer Code T-269B 1:1.93
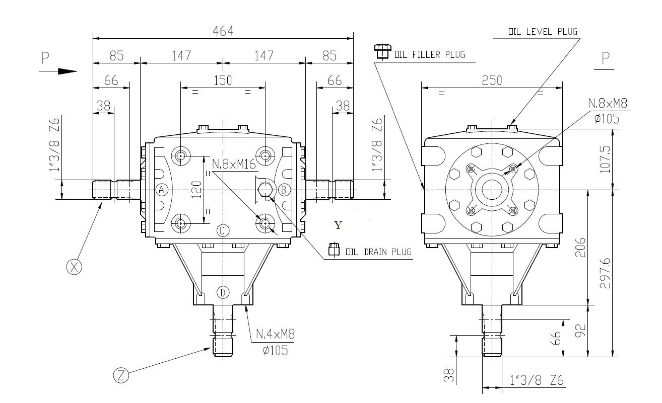
Flail mower gearbox T-269B is a type of gearbox that is used in flail mowers. It is a replacement for the Replacement of Comer Code T-269B gearbox. The flail mower gearbox is made of cast iron and has a capacity of 3.3 liters of oil. It has a maximum input rotation speed of 540 r/min and a maximum input power of 72 kW. The maximum output power is 100 HP, and the maximum output torque is 1995 nm. The flail mower gearbox T-269B does not come with oil, so it must be purchased separately. The oil should be changed every 500 hours. The flail mower gearbox T-269B is a heavy-duty unit that is designed to withstand the rigors of agricultural use. It is a reliable and durable product that will provide years of service.

| Product Description | Flail Mower Gearboxes - Replacement of Comer Gearbox T-269B 1:1.93 |
|---|---|
| Product details |
|
| Application range |
|
| Consists of |
|
| Max. output torque | 199.5 daNm |
| Contains oil | No |
| Max. oil capacity | 3.3 l |
| Max. oil change interval | 500 h |
| Oil SAE viscosity grade | 80W-90 |
| Housing material | Cast iron GGG40 |
| Weight | 37.5 kg |
| Gear arrangement Increasing | 33 - 34 |
| Gear arrangement Reducing | 11 - 12 - 13 - 14 |
| Input power kW / HP Increasing | 72.1 / 98 kW/HP |
| Input shaft Increasing | Z |
| Input shaft Reducing | X - Y |
| Input power KW / HP Reducing | 60.4 / 82 kW/HP |
| Output Torque DaNm Increasing | 64 daNm |
| Ratio Increasing | 1: 1.93 |
| Ratio Reducing | 1.93: 1 |
| Shaft X | 1 3/8" (6) (A) |
| Shaft Y | 1 3/8" (6) (A) |
| Shaft Z | 1 3/4" (6) |

![]() | ![]() |

Address
Luotuo Industrial Area, Zhenhai District, Ningbo City, China
Tel
