Flail Mower Gearboxes - Replacement of Comer Code T-290A
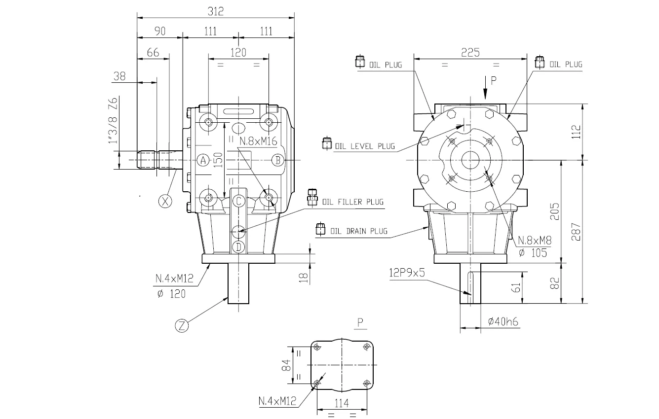
The flail mower gearbox T-290A is a type of flail mower gearbox, a device that transmits power from the input shaft to the output shaft to drive the cutting blades of a flail mower. The flail mower gearbox T-290A is designed to handle high torque loads and is typically used on heavy-duty flail mowers that are used for cutting thick grass, weeds, and brush in rough terrain. A flail mower gearbox T-290A typically consists of several components, including input and output shafts, gears, bearings, and housing. The input shaft receives power from the PTO, while the output shaft transfers power to the cutting mechanism of the mower.The gears in the flail mower gearbox T-290A are designed for high strength and durability, as they need to withstand the high stresses associated with mowing dense vegetation. The bearings in the gearbox provide support to the shafts and gears and ensure smooth rotation of the components. The housing of a flail mower gearbox is typically made of cast iron or other durable materials, providing protection to the internal components of the gearbox. Overall, the flail mower gearbox T-290A is a critical component in the flail mower system, allowing for efficient and effective vegetation cutting and mulching. It is designed to handle high power and torque and ensure reliable operation of the mower even under heavy use.![]() | ![]() |

| Description | Flail Mower Gearboxes - Replacement of Comer Gearbox T-290A 1:1.86 |
|---|---|
| Application |
|
| Consists of |
|
| Technical information |
|
| Max. output torque | 175.9 daNm |
| Contains oil | No |
| Max. oil capacity | 2.3 l |
| Max. oil change interval | 500 h |
| Oil SAE viscosity grade | 80W-90 |
| Housing material | Cast iron GG25 |
| Weight | 30 kg |
| Gear arrangement Increasing | 25 - 26 |
| Gear arrangement Reducing | 5 - 6 |
| Input power kW / HP Increasing | 62.5 / 85 kW/HP |
| Input shaft Increasing | X |
| Input shaft Reducing | Z |
| Input power KW / HP Reducing | 55.1 / 75 kW/HP |
| Output Torque DaNm Increasing | 57.6 daNm |
| Ratio Increasing | 1:1.86 |
| Ratio Reducing | 1.86:1 |
| Shaft X | 1 3/8" (6) (A) |
| Shaft Y | 1 3/8" (6) (A) |
| Shaft Z | 1 3/8" (6) (B) |

![]() | ![]() |

Address
Luotuo Industrial Area, Zhenhai District, Ningbo City, China
Tel
