Flail Mower Gearboxes - Replacement of Comer Code T-292B 1.86:1
The flail mower gearbox T-292B is a model of gearbox specifically designed for flail mowers. Flail mower gearboxes are essential components of flail mowers, which are machines used for cutting grass, shrubs, and other vegetation. The flail mower gearbox is responsible for transmitting the power from the mower's drive shaft to the blades or flails that do the actual cutting.The flail mower gearbox T-292B is a single-speed model that is designed to work with flail mowers with a cutting width of up to 1.6 meters. It has a power capacity of up to 60 horsepower and a maximum torque of 542 Nm. The flail mower gearbox is designed with high-quality gears and bearings that can withstand the high stresses and strains of cutting thick vegetation. The flail mower gearbox T-292B also has an oil bath lubrication system, which ensures that the gears are properly lubricated and cooled, leading to less wear and a longer lifespan.
![]() | ![]() |
| Product Description | Flail Mower Gearboxes - Replacement of Comer Code T-292B 1.86:1 |
|---|---|
| Product details |
|
| Application range |
|
| Consists of |
|
| Contains oil | No |
| Max. oil capacity | 2.5 l |
| Max. oil change interval | 500 h |
| Oil SAE viscosity grade | 80W-90 |
| Housing material | Cast iron GGG40 |
| Weight | 33 kg |
| Gear arrangement Increasing | 33 - 34 |
| Input power kW / HP Increasing | 58.9 / 80 kW/HP |
| Input shaft Increasing | Z |
| Output Torque DaNm Increasing | 54.2 daNm |
| Ratio Increasing | 1: 1.86 |
| Ratio Reducing | 1.86: 1 |
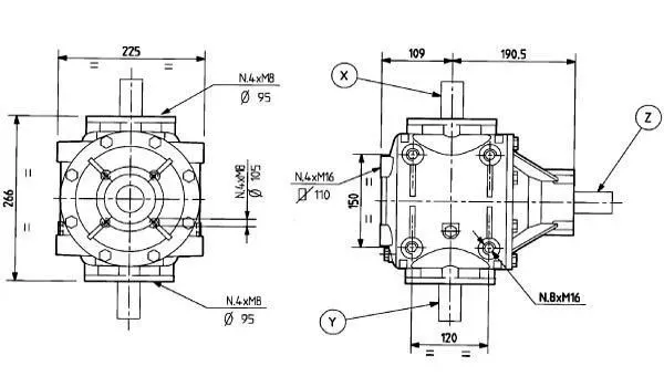
| Shaft X | 35h7 |
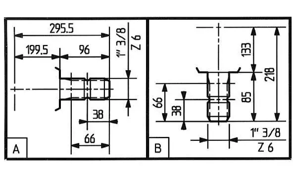
| Shaft Z | 1 3/8" (6) (A) |

![]() | ![]() |

Address
Luotuo Industrial Area, Zhenhai District, Ningbo City, China
Tel
