Flared Tube Union Swivel Elbows
A flared tube union swivel elbow is a type of fitting used in piping systems to connect two tubes or pipes at an angle, allowing for directional changes in the flow of fluids, gases, or other substances. The design of the swivel elbow allows for rotational movement, providing flexibility in positioning and alignment.Here are the key features and components of a flared tube union swivel elbow:1. Flared Tube Ends: The elbow typically has flared ends on both sides, which are designed to connect to flared tubes or pipes. Flaring involves expanding the end of the tube outward, creating a conical shape that provides a secure and leak-resistant connection.2. Union Nut: The elbow includes a union nut, which is a threaded component that connects the two flared tube ends. The nut is used to tighten the elbow onto the tubes, ensuring a tight seal and preventing leakage.3. Swivel Connection: One of the unique features of a flared tube union swivel elbow is its ability to rotate or swivel. This is achieved through a swivel connection mechanism located between the union nut and the elbow body. The swivel allows for angular movement, making it easier to install and align the elbow in various configurations.4. Elbow Body: The main body of the swivel elbow is typically made of metal, such as brass or stainless steel, which provides strength and durability. The elbow body is designed to accommodate the flow of fluids or gases, with a curved shape that redirects the flow at a specific angle.Flared tube union swivel elbows are commonly used in applications where flexibility and alignment adjustments are required. They are often found in hydraulic systems, fuel lines, refrigeration systems, and other industrial or automotive applications. These fittings provide a reliable and convenient solution for connecting pipes or tubes at different angles while maintaining a secure and leak-free connection.

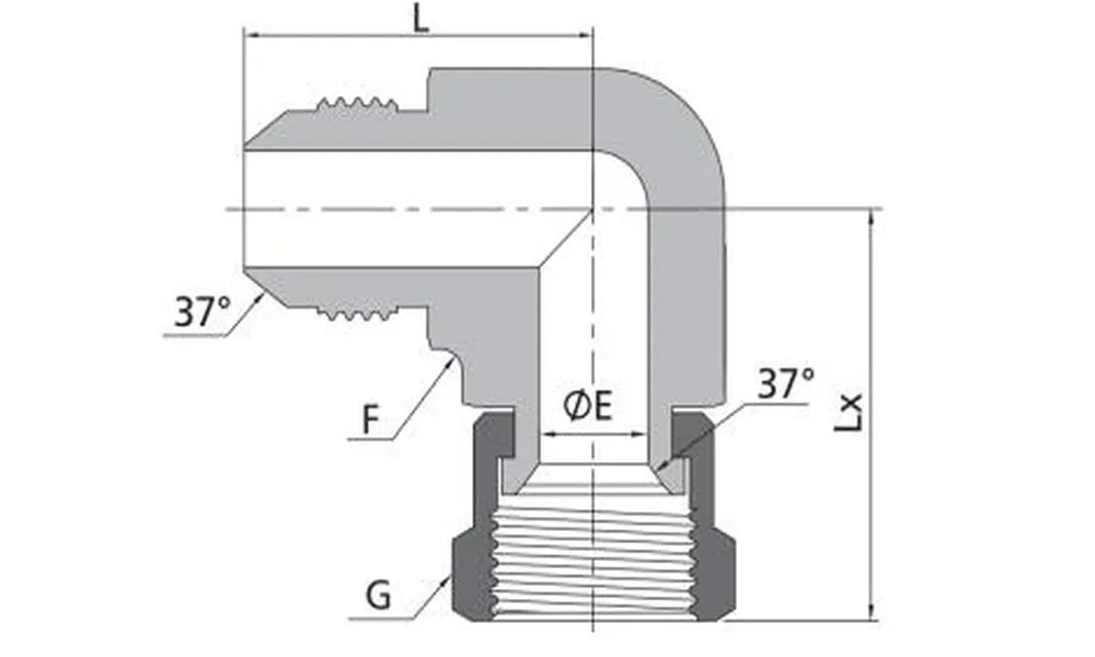
| Tube O.D. | Basic OrderingNumber | Dimensions, in. (mm) | |||||
| in. | m | L | E | F (Flat) | Lx | G (Hex) | |
| 1/8 | 3 | -USE-AN2-AS2 | 0.77(19.6) | 0.06(1.6 ) | 0.44(11.1 ) | 0.97(24.6) | 0.44(11.1 ) |
| 3/16 | 4 | -USE-AN3-AS3 | 0.83(19.6) | 0.13(3.2) | 0.44(11.1 ) | 1.00(25.4) | 0.50(12.7) |
| 1/4 | 6 | -USE-AN4-AS4 | 0.89(22.6) | 0.17(4.4) | 0.50(12.7) | 1.00(25.4) | 0.56(14.3) |
| 5/16 | 8 | -USE-AN5-AS5 | 0.95(24.1) | 0.24(6.0) | 0.56(14.3) | 1.06(26.9) | 0.63(15.9) |
| 3/8 | 10 | -USE-AN6-AS5 | 1.06(26.9) | 0.30(7.5) | 0.56(14.3) | 1.25(31.8) | 0.69(17.5) |
| 1/2 | 12 | -USE-AN8-AS8 | 1.25(31.8) | 0.39(9.9) | 0.81(20.6) | 1.38(35.1) | 0.87(22.2) |
| 5/8 | 16 | -USE-AN10-AS10 | 1.45(36.8) | 0.48(12.3) | 0.81(20.6) | 1.62(41.1) | 1.00(25.4) |
| 3/4 | 18 | -USE-AN12-AS12 | 1.66(42.2) | 0.61(15.5) | 1.06(26.9) | 1.75(44.4) | 1.25(31.8) |
| 7/8 | 22 | -USE-AN14-AS14 | 1.80(45.7) | 0.72(18.3) | 1.25(31.8) | 1.78(45.2) | 1.06(26.9) |
| 1 | 25 | -USE-AN16-AS16 | 1.81(46.0) | 0.85(21.5) | 1.37(34.9) | 2.00(50.8) | 1.50(38.1) |
| 1 1/4 | 32 | -USE-AN20-AS20 | 2.06(52.3) | 1.08(27.5) | 1.69(42.9) | 2.31(58.7) | 2.00(50.8) |
| 1 1/2 | 38 | -USE-AN24-AS24 | 2.33(59.2) | 1.30(33.0) | 2.00(50.8) | 2.59(65.8) | 2.37(60.3) |
| 2 | 50 | -USE-AN32-AS32 | 3.06(77.7) | 1.77(45.0) | 2.50(63.5) | 3.38(85.9) | 2.87(73.0) |
![]() | ![]() |

Address
Luotuo Industrial Area, Zhenhai District, Ningbo City, China
Tel
