Flexible Chains
The use of Flexible Chains is widely used in manufacturing and logistics. They can handle a high volume of material and operate cost-effectively even at lower volumes. This type of chain can also operate at close to full capacity during periods of high demand. The key to cost-effective operation lies in managing and optimizing fixed costs. Let us look at the advantages and disadvantages of Flexible Chains in the following paragraphs. The following information will help you choose the right type of chain for your application.83A Plain Chains (Fingered)
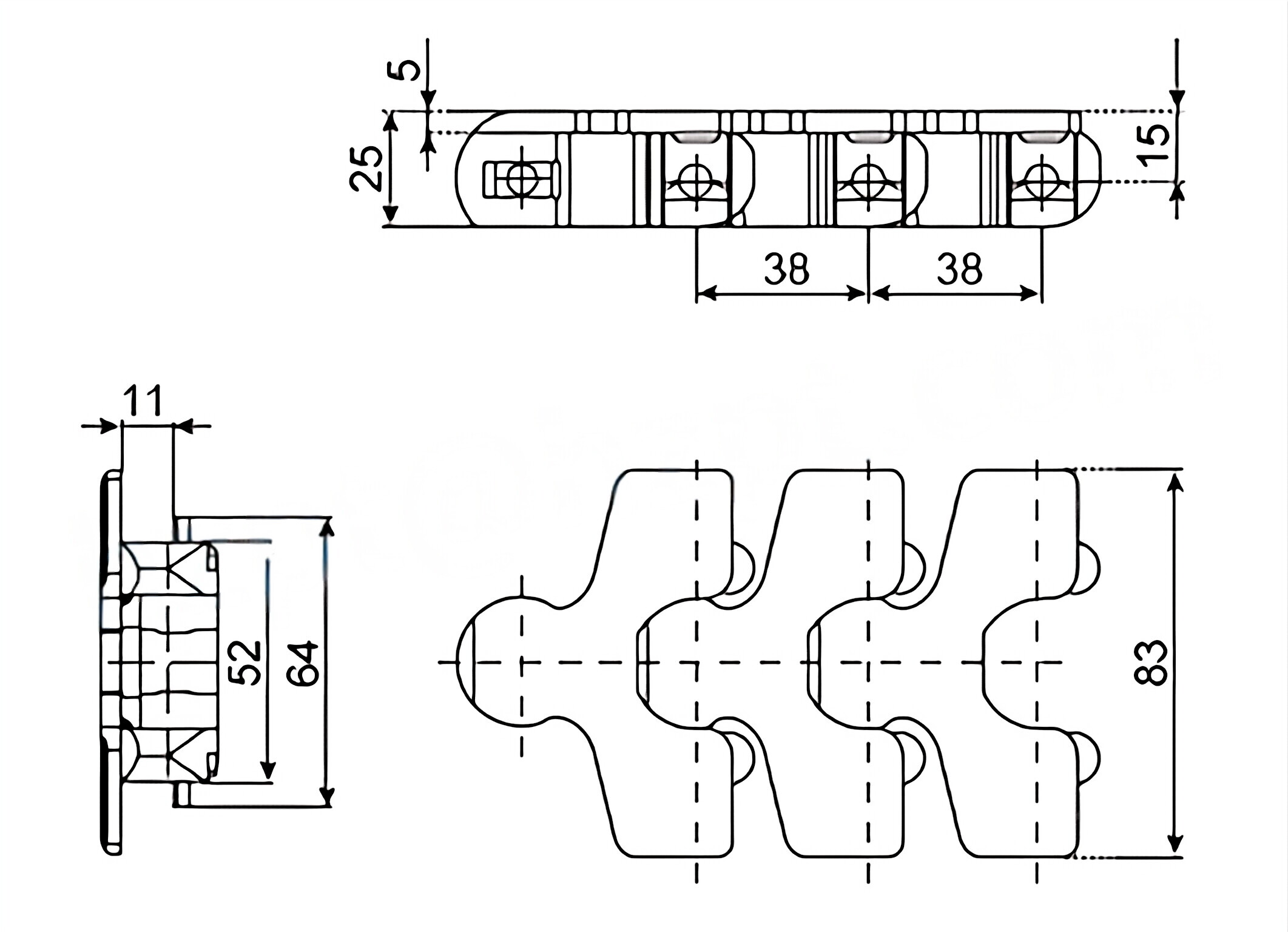
83B Plain Chains
83C Flexible Cleated Chains

103A Plain Chains (Fingered)
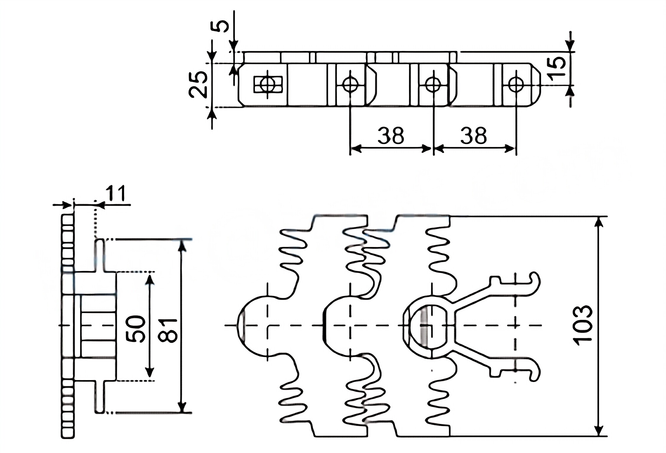
140A3 Plain Chains (3-Fingered)
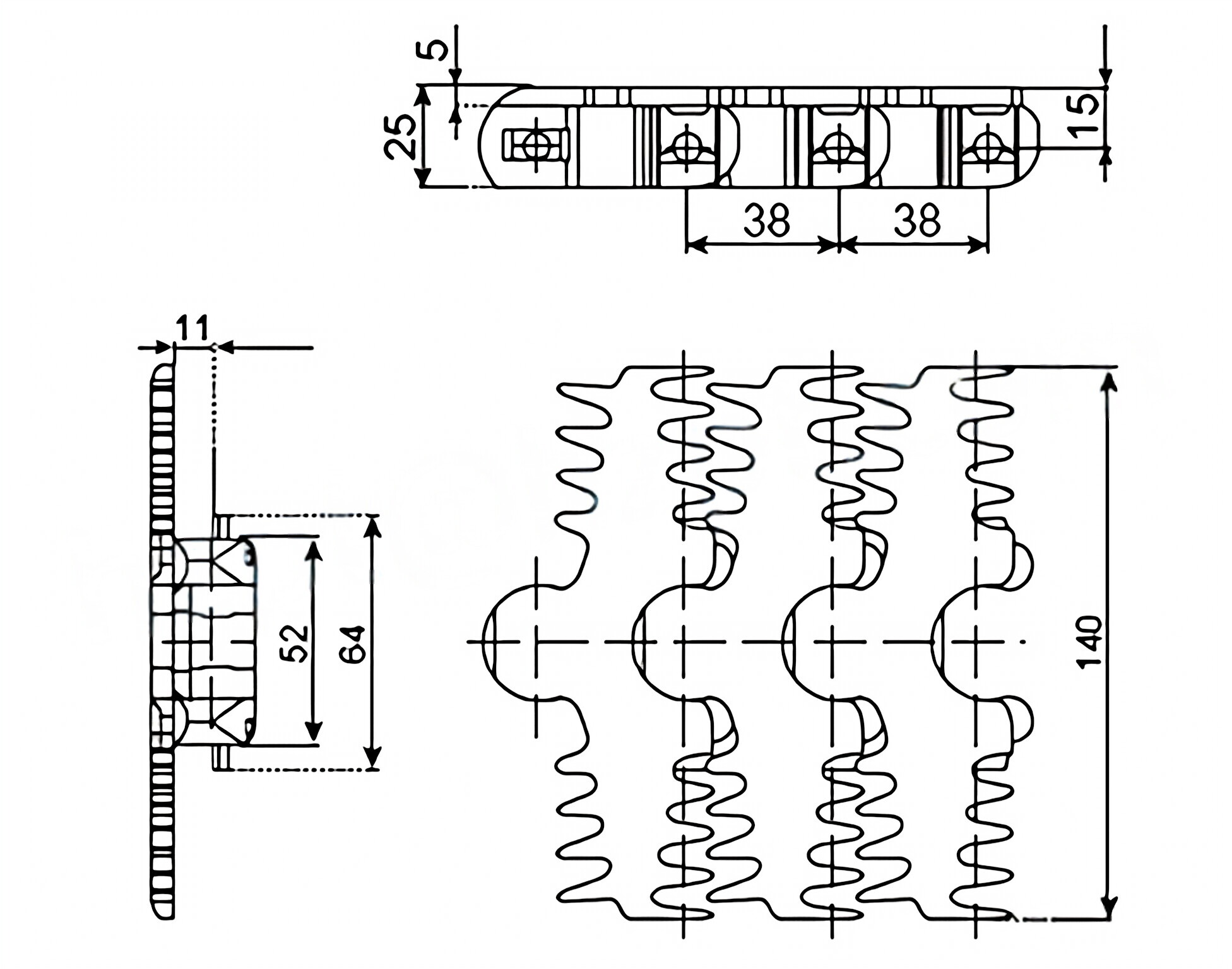
140A4 Plain Chains (4-Fingered)
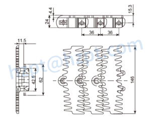
146A Plain Chains


Our chain is most commonly supplied in 10ft boxes including one connecting link per box, but we can also supply this chain at custom lengths as needed. We also offer a full line of good-quality sprockets for this chain. For pricing and availability please contact us at any time.
Address
Luotuo Industrial Area, Zhenhai District, Ningbo City, China
Tel
