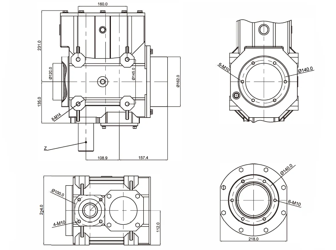
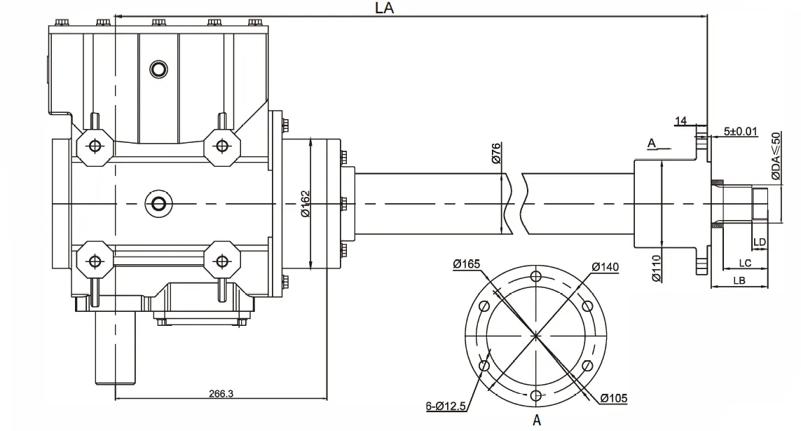
Grader Driven Rake Gearbox EP112 for Variable Speed Rotary Tillers and Beaters
The Grader Driven Rake Gearbox EP112 is a critical component designed for variable speed rotary tillers and similar agricultural machinery. This gearbox plays a crucial role in controlling the speed and operation of rotary tiller blades, allowing farmers to prepare and cultivate soil efficiently.The EP112 gearbox is engineered to provide precise variable speed control for rotary tiller blades. This feature allows farmers to adjust the tilling speed according to soil conditions, crop types, and their specific farming needs. The gearbox is constructed using high-quality materials and precision engineering to withstand the rigors of agricultural use. It is designed to be robust and durable, ensuring long-lasting performance in demanding farming environments.The Grader Driven Rake Gearbox EP112 efficiently transmits power from the tractor's power take-off (PTO) to the rotary tiller, ensuring that the tiller blades rotate at the desired speed and depth. This efficient power transmission helps farmers achieve consistent and effective tilling results. The gearbox is designed for compatibility with a wide range of variable speed rotary tillers and similar agricultural equipment.

| i | Suitable | Rpm input | Rpm output | KW(Nom) | KW(Max) | Toothing | |
| r/min | r/min | hp | hp | ||||
| Decelerate | 1.62:1 | Rotary Tillers, Beaters, etc | 540 | 333 | 76 | 116 | Gleason HelicalTeeth |
| Decelerate | 1.82:1 | 540 | 296 | 70 | 120 | ||
| Decelerate | 2.03:1 | 540 | 266 | 68 | 114 | ||
| Decelerate | 2.28:1 | 540 | 236 | 62 | 105 | ||
| Remark: If you have any special require feel free let me know, we also accept custom. | |||||||






![]() | ![]() |
![]() | ![]() |
Address
Luotuo Industrial Area, Zhenhai District, Ningbo City, China
Tel
