Grain & Sunflower Headers Gearbox – Replacement of Comer Code LF-153A
Grain and sunflower header gearboxes are used in agricultural machinery to transfer power from the machine's engine to the header, which is used to harvest crops. The gearbox serves as a transmission system that allows the operator to adjust the speed of the header and control the harvesting process.The function of the gearbox is to convert the rotational motion of the engine's output shaft to the correct speed and torque required by the header. The gearbox contains gears and other mechanical components that work together to transfer power from the engine to the header.In the case of a grain header, the gearbox typically has two-speed ranges, which allow the operator to adjust the header speed depending on the type and density of the crop being harvested. The gearbox also has a clutch mechanism that engages and disengages the header, allowing the operator to stop and start harvesting as needed.Sunflower headers have a similar gearbox design but may have additional features to accommodate the unique characteristics of sunflower plants. For example, sunflower headers may have specialized cutting systems that prevent the plant from getting tangled in the header, and the gearbox may be designed to handle the added stress of cutting through thick sunflower stalks.

| i | 2.80 |
| N1[rpm] | 900 |
| P1[kW] | 11.0/20.5 |
| M2[Nm] | 40/75 |
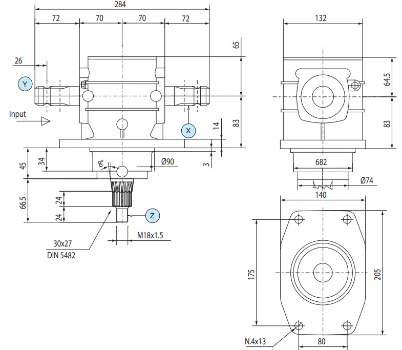
Shaft X![]() | 1'' 3/8 Z6 |
Shaft Y![]() | 1'' 3/8 Z6 |
Shaft Z![]() | 30*27 |
| Input | Y |

Address
Luotuo Industrial Area, Zhenhai District, Ningbo City, China
Tel
