

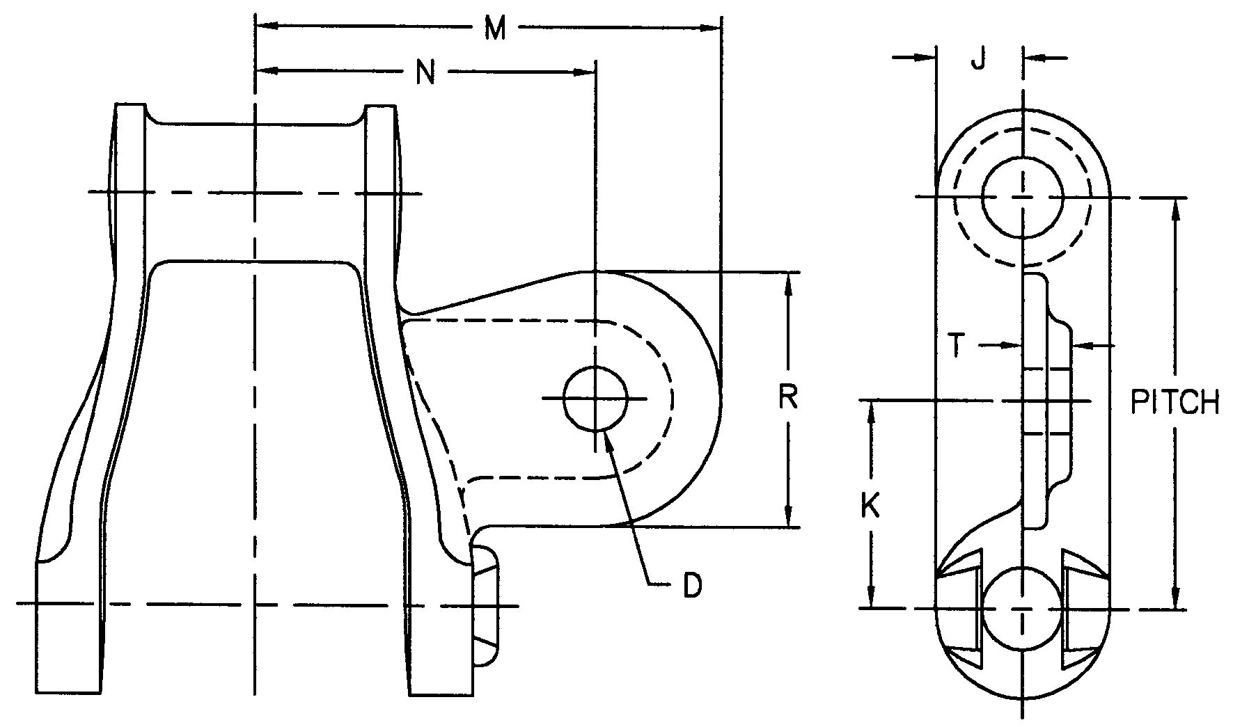
MOLINE ATTACHMENT NO. | PITCH | D | J | K | M | N | R | T | |
BOLT DIAMETER | HOLE DIAMETER | ||||||||
H 78-A1 R | 2.609 | 0.38 | 0.41 | 0.56 | 1.31 | 3.00 | 2.19 | 1.62 | 0.31 |
H 78-A1 L | 2.609 | 0.38 | 0.41 | 0.56 | 1.31 | 3.00 | 2.19 | 1.62 | 0.31 |



Address
Luotuo Industrial Area, Zhenhai District, Ningbo City, China
Tel
