

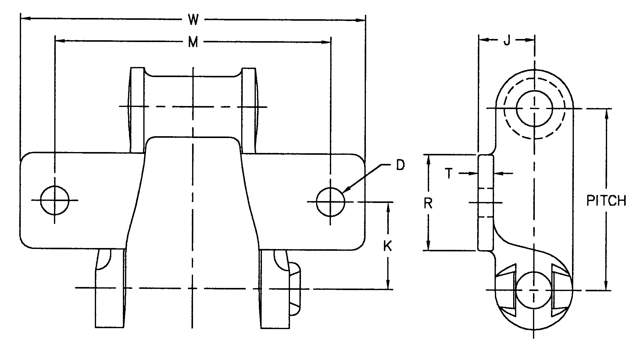
MOLINE ATTACHMENT NO. | DIMENSIONS IN DECIMAL INCHES | ||||||||
PITCH | D | J | K | M | R | T | W | ||
BOLT DIAMETER | HOLE DIAMETER | ||||||||
H 60-K1 | 2.308 | 0.31 | 0.34 | 0.75 | 1.06 | 3.00 | 1.12 | 0.19 | 4.00 |
H 78-K1 | 2.609 | 0.38 | 0.41 | 0.81 | 1.25 | 4.00 | 1.38 | 0.22 | 5.00 |




Address
Luotuo Industrial Area, Zhenhai District, Ningbo City, China
Tel
