High Pressure Banjo Elbow-WH-M Hydraulic Fittings
The High Pressure Banjo Elbow-WH-M hydraulic fitting is a specialized component used in hydraulic systems. It is designed to provide a secure and leak-free connection between hydraulic hoses or tubes and hydraulic components such as pumps, valves, or cylinders.Key features of the High Pressure Banjo Elbow-WH-M hydraulic fitting include:1. High Pressure Capability: This fitting is specifically designed to handle high-pressure hydraulic applications. It is manufactured using materials that can withstand the high pressures typically encountered in hydraulic systems.2. Banjo Elbow Design: The banjo elbow configuration allows the fitting to be installed at a right angle to the hydraulic hose or tube, making it suitable for applications where space is limited or where a specific orientation is required.3. Leak-Free Connection: The fitting incorporates seals and fittings designed to create a tight and leak-free connection between the hydraulic hose or tube and the hydraulic component. This helps to ensure the efficient and reliable operation of the hydraulic system.4. Compatibility: The High Pressure Banjo Elbow-WH-M hydraulic fitting is available in various sizes and configurations to accommodate different hydraulic system requirements. It is important to select the appropriate fitting size and type to ensure compatibility with the hydraulic components and hoses being used.When installing the High Pressure Banjo Elbow-WH-M hydraulic fitting, it is crucial to follow the manufacturer's guidelines and specifications. Proper assembly techniques, torque values, and the use of compatible hydraulic fluids and sealants are essential for achieving a reliable and leak-free connection.

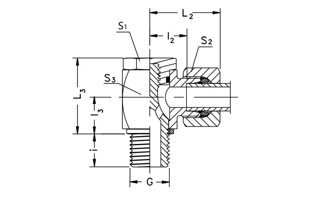
| WH-MPart NO. | Series Working Pressure (bar/psi) | Tube O.d | Gmale thread | i | l2 | l3 | L2 | L3 | S1 | S2 | S3 |
| WH06LM | L light 250 bar3625 psi | 6 | M10 x 1 | 8 | 12 | 10.5 | 27 | 24 | 17 | 14 | 17 |
| WH08LM | 8 | M12 x 1.5 | 12 | 14.5 | 14 | 29 | 30 | 19 | 17 | 22 | |
| WH10LM | 10 | M14 x 1.5 | 12 | 15.5 | 14 | 30 | 30 | 19 | 19 | 22 | |
| WH12LM | 12 | M16 x 1.5 | 12 | 18 | 16.5 | 33 | 36 | 24 | 22 | 27 | |
| WH15LM | 15 | M18 x 1.5 | 12 | 21.5 | 18.5 | 37 | 39.5 | 30 | 27 | 30 | |
| WH18LM | 18 | M22 x 1.5 | 14 | 21 | 21.5 | 37 | 45 | 30 | 32 | 32 | |
| WH22LM | 160 bar2320 psi | 22 | M26 x 1.5 | 16 | 27.5 | 24 | 44 | 53 | 36 | 36 | 41 |
| WH28LM | 28 | M33 x 2 | 18 | 32 | 30.5 | 49 | 66 | 46 | 41 | 50 | |
| WH35LM | 35 | M42 x 2 | 20 | 36 | 35.5 | 58 | 76 | 55 | 50 | 60 | |
| WH42LM | 42 | M48 x 2 | 22 | 40.5 | 40.5 | 63 | 87 | 60 | 60 | 70 | |
| WH06SM | S heavy 315 bar4560 psi | 6 | M12 x 1.5 | 12 | 16.5 | 14 | 31 | 30 | 19 | 17 | 22 |
| WH08SM | 8 | M14 x 1.5 | 12 | 16.5 | 14 | 31 | 30 | 19 | 19 | 22 | |
| WH10SM | 10 | M16 x 1.5 | 12 | 18.5 | 16.5 | 35 | 36 | 24 | 22 | 27 | |
| WH12SM | 12 | M18 x 1.5 | 12 | 20 | 18.5 | 36 | 39.5 | 27 | 24 | 27 | |
| WH14SM | 14 | M20 x 1.5 | 14 | 22.5 | 20 | 40 | 43.5 | 30 | 27 | 32 | |
| WH16SM | 16 | M22 x 1.5 | 14 | 22 | 21.5 | 40 | 45 | 30 | 30 | 32 | |
| WH20SM | 160 bar2320 psi | 20 | M27 x 2 | 16 | 26.5 | 24 | 48 | 53 | 36 | 36 | 41 |
| WH25SM | 25 | M33 x 2 | 18 | 31.5 | 30.5 | 56 | 66 | 46 | 46 | 50 | |
| WH30SM | 30 | M42 x 2 | 20 | 37 | 35.5 | 64 | 76 | 55 | 50 | 60 | |
| WH38SM | 38 | M48 x 2 | 22 | 41.5 | 40.5 | 72 | 87 | 60 | 60 | 70 |


Address
Luotuo Industrial Area, Zhenhai District, Ningbo City, China
Tel
