Hydraulic Cutter Gearbox - Replacement of Comer Code A-649A
The hydraulic cutter gearbox A-649A is a critical component of a hydraulic cutting machine used to cut through tough materials such as metal, concrete, and wood. The gearbox is responsible for transferring power from the hydraulic motor to the cutting tool. It consists of gears, bearings, and seals that work together to reduce the motor's speed and increase torque to drive the cutter. The gearbox is durable, reliable, and resistant to wear and tear to withstand the high stresses of cutting. Proper maintenance and lubrication are essential for the gearbox to perform optimally and extend its lifespan.
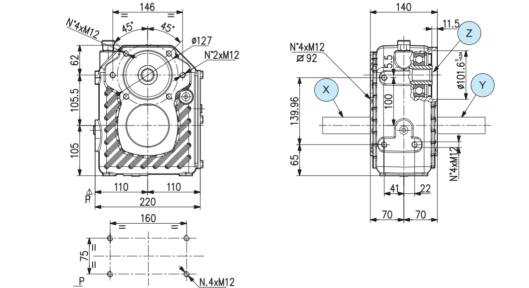
Hydraulic Cutter Gearbox A-649A Specification
| i | 4.23/3.00 |
| N1[rpm] | 540 |
| P1[kW] | 40.4/44.0 |
| M2[Nm] | 172/265 |
Shaft X![]() | 1'' 3/8 Z6 |
Shaft Z![]() | 16/32'' DP Z1316/32'' DP Z15 |
| Input | X |

Address
Luotuo Industrial Area, Zhenhai District, Ningbo City, China
Tel
