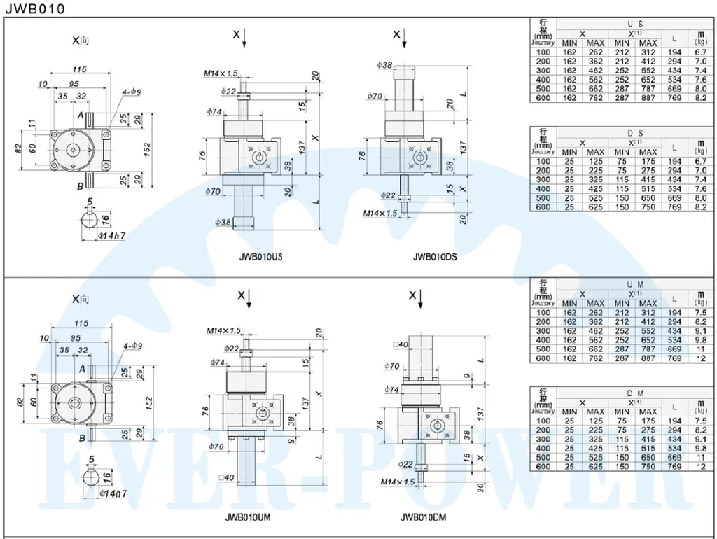
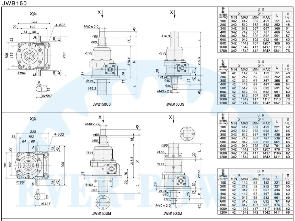
JWB Series Ball Screw Jacks for Jump Form Construction Lifting
JWB series ball screw jacks feature a ball nut with integral ball bearings that circulate along the surface of the ball screw. This significantly reduces friction between the ball nut and the ball screw, resulting in greater efficiency. Ball screw jacks require up to two-thirds less input torque to move the load than similarly rated machine screw jacks. They require a brake motor or external locking device to hold the position.Both upright and inverted ball screw jacks are available to lift and precisely position loads up to 50 tons. Alloy steel input shafts, aluminum bronze worm gears, and tapered roller or ball thrust bearings provide rugged reliability. Compared to machine screw jacks, ball screw jacks:• Require less motor horsepower.• Allow higher travel speed.• Provide an extended duty cycle.








1. High efficiency
Rolling friction improves efficiency greatly, only a little drive power can generate great thrust force.
2. High speed
Rolling friction speeds up the travel of the screw easily.
3. Lifetime longer
High-precision ball screws can make JWB’s lifetime longer by 3 times compared with JWM.
Note: Braking devices or motors with braking devices are necessary when choosing JWB.

![]() | ![]() |

Address
Luotuo Industrial Area, Zhenhai District, Ningbo City, China
Tel
