Leaf Chains for Sky Stacker
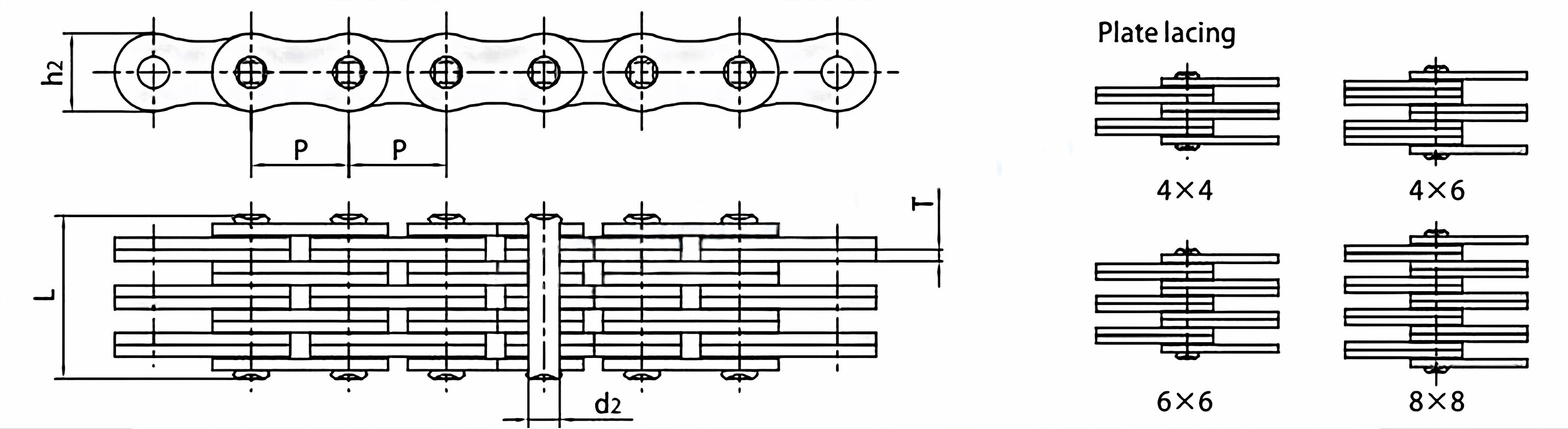
If you need a reliable hoisting chain for your Sky Stacker, you should consider Leaf chains. These chains are made from carbon steel and alloy material. They can withstand a high load, and they are durable enough to withstand high-speed and heavy-duty operations. Leaf chains are one of the most essential parts of your Sky Stacker, and you should choose the best type for your application.Leaf chains are made of interlaced plates held together by rivet pins. They are manufactured with precision, just like roller chains. The leaf chains are designed for applications that require a durable, strong linkage. They are made from special steel and undergo unique heat treatments, which ensure their strength and durability. Leaf chains are identified by the pitch and lacing, so if you're using your Sky Stacker for a new application, you should use the BL series.Induction hardening is another option for leaf chains. This process has higher compressive strength than standard case hardening and increases the depth of hardness. It also improves surface finish. Leaf chains with plastic inserts are typically used on Jungheinrich or Linde trucks. Induction hardening increases the leaf chain's resistance to shock loads. It also improves the press fit of the pins and bushes, so they can withstand a higher load.





Address
Luotuo Industrial Area, Zhenhai District, Ningbo City, China
Tel
