Manure Spreader Gearboxes - Replacement of Comer Code TB-19C 1:1.46
Manure spreader gearbox TB-19C is a specific type of gearbox used in manure spreader machines. It is produced by the brand Toper, which is known for its high-quality gearboxes for agricultural machinery. The manure spreader gearbox TB-19C is designed with a 1:1.46 gear ratio, which allows for efficient power transmission and optimum speed for the spreader paddles. It is made of cast iron for durability and heavy-duty use on agricultural fields. The gearbox has a torque rating of 423 nm, which means it can handle heavy loads of manure and other fertilizers without breaking down.This particular manure spreader gearbox TB-19C has a clockwise rotation and a 1-3/8" smooth input shaft, making it compatible with many types of manure spreader machines. It is also designed for easy maintenance, with replaceable bearings and seals and a grease fitting for lubrication. Overall, the manure spreader gearbox TB-19C is a reliable and efficient choice for farmers and agricultural workers who demand high-performance equipment for spreading manure and fertilizers.
![]() | ![]() |
| Product Description | Manure Spreader Gearboxes - Replacement of Comer Gearbox TB-19C 1:1.46 |
|---|---|
| Product details |
|
| Application range |
|
| Consists of |
|
| Max. output torque | 42.3 daNm |
| Contains oil | No |
| Gear arrangement Increasing | 25 - 26 - 27 - 28 |
| Gear arrangement Reducing | 5 - 6 |
| Input power kW / HP Increasing | 20.6 / 28 kW/HP |
| Input shaft Increasing | X - Y |
| Input shaft Reducing | Z |
| Input power KW / HP Reducing | 16.9 / 23 kW/HP |
| Output Torque DaNm Increasing | 24.1 daNm |
| Ratio Increasing | 1: 1.46 |
| Ratio Reducing | 1.46: 1 |
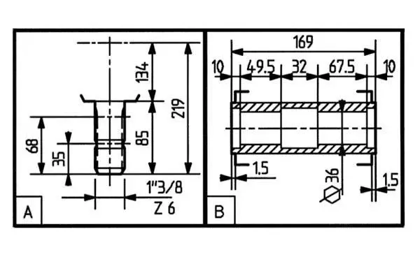
| Shaft X | SW 36 (B) |
| Shaft Y | SW 36 (B) |
| Shaft Z | 1 3/8" (6) (A) |
![]() | ![]() |
![]() | ![]() |

Address
Luotuo Industrial Area, Zhenhai District, Ningbo City, China
Tel
