Model 3 Shaft Output Drives Planetary Gearbox Replacement of Auburn Gear Model 3 Planetary Gearbox
The Model 3 series shaft output drives planetary gearbox is a compact, high-torque planetary gearbox that is designed for conveyors, augers, and mixers applications. It is available in a variety of gear ratios and output shaft configurations, making it a versatile and adaptable solution for a wide range of requirements. If you are looking for a compact, high-torque planetary gearbox for your mobile or industrial application, the Model 3 series shaft output drives planetary gearbox is a good option to consider.Some of the key features of the Model 3 series shaft output drives planetary gearbox include:
| output torque(N.m) | Ratio (i) | Recommend Hydraulic Motor pilot/hubs and input spline | Max. input speed(rpm) | Brake torque(N.m) | Brake work pressure(bar) | ||
| normal | Max. Intermittent | ||||||
| 950 | 2200 | 3.54 | Single reduction | SAE A motor pilot/hubs13T - 16/32 Spline15T - 16/32 Spline1” - 6B Spline14T - 12/24 Spline | 3500 | 370 | 34-50 |
| 12.19 | Double reduction | 120 | 12-50 | ||||
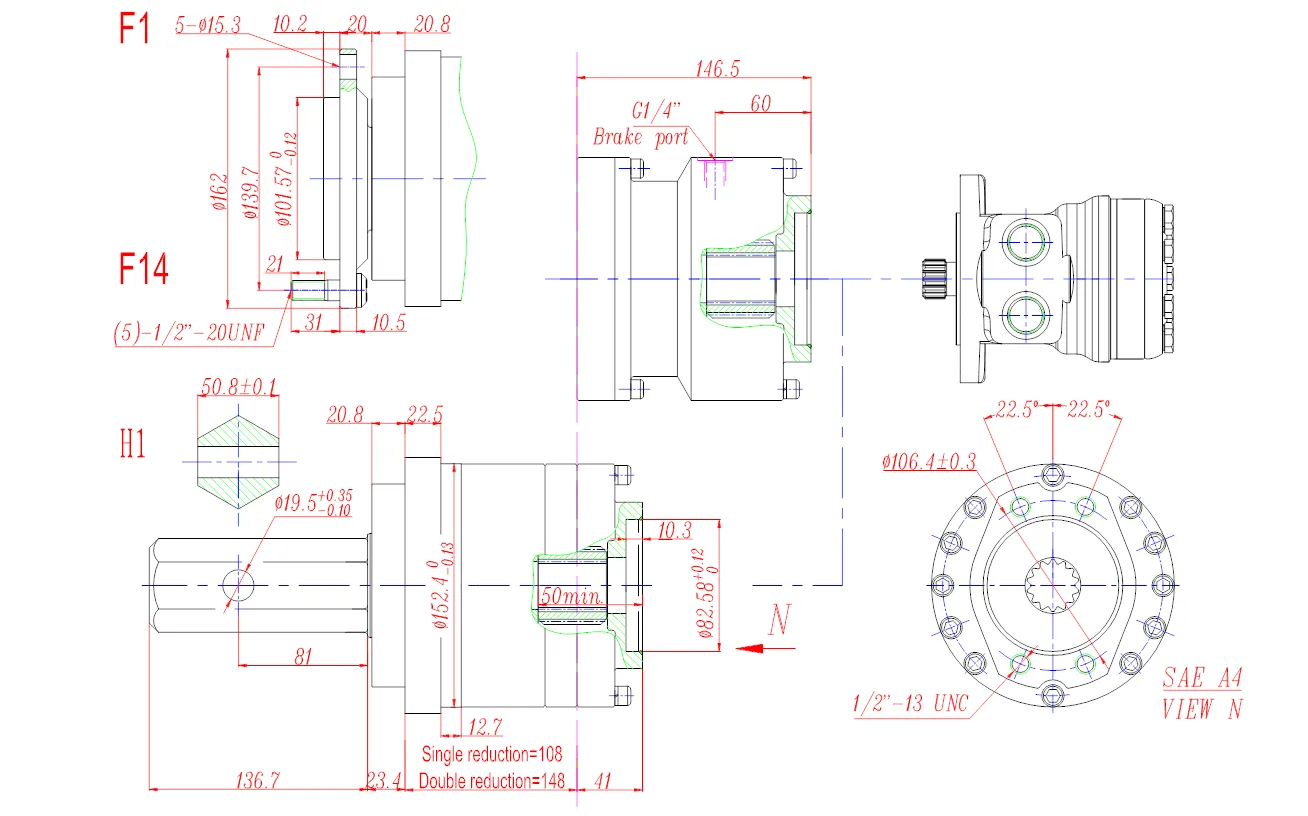
| Model 3 Series Shaft Output Drives Planetary Gearbox | ||||||||
| Options | Description | Order Number | Use Option Order Codes to Build Order Number | |||||
| Model Series | Model 3 | 3T | 3T | |||||
| Motor Pilot/Hubs | SAE A2 | A2 | ||||||
| SAE A4 | A4 | A4 | ||||||
| Motor Input Spline or Shaft Input Options | 13T - 16/32 | 13 | ||||||
| 15T - 16/32 | 15 | |||||||
| 1” - 6B | 6B | |||||||
| 14T - 12/24 | 14 | 14 | ||||||
| Shaft Input 1.5” Round | 1.5R | |||||||
| Ratio Options | 3.54 | 03 | 03 | |||||
| 12.19 | 12 | |||||||
| Output Options | 2.56” Round | A2 | A2 | |||||
| 2.00” Hex | H1 | |||||||
| F1 Spindle | F1 | |||||||
| F14 Spindle | F14 | |||||||
| Brake | 120Nm | B1 | ||||||
| 370Nm | B2 | |||||||
| Without Brake | WO | WO | ||||||
| Example of complete order code: | 3T | A4 | 14 | 03 | A2 | WO | ||



Address
Luotuo Industrial Area, Zhenhai District, Ningbo City, China
Tel
