We launch the PGR-W series planetary drive gearbox. Can perfectly replace comer industry
| Model | PGR-802W | PGR-1702/3W | PGR-2502/3W | PGR-3602/3W | PGR-4802/3W |
| Ratio i | 20-54 | 19-141 | 16-151 | 16-151 | 16-151 |
| Max Torque Nm | 10000 | 18000 | 25000 | 36000 | 48000 |
| Braking Torque Nm | 150-300 | 320-460 | 200-600 | 200-600 | 200-600 |
| Max input speed rpm | 3500 | 3500 | 3500 | 3500 | 3500 |
| Min opening pressure bar | 15-20 | 15-20 | 15-20 | 15-20 | 15-20 |
| Weight kg | 58 | 98 | 120 | 140 | 170 |
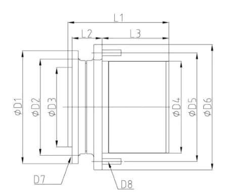
| D1 | 270 | 330 | 320 | 350 | 350 |
| D2 | 230 | 300 | 285 | 310 | 310 |
| D3 | 190 | 270 | 240 | 270 | 270 |
| D4 | 220 | 280 | 300 | 320 | 350 |
| D5 | 275 | 335 | 355 | 380 | 400 |
| D6 | 310 | 372 | 400 | 420 | 435 |
| L1 | 270 | 287/332 | 324/342 | 340/361 | 350/370 |
| L2 | 72 | 96 | 82 | 90 | 91 |
| L3 | 161 | 161/206 | 222/240 | 220/241 | 229/249 |
| D7 | M16*16 | M16*18 | M20*20 | M20*16 | M20*16 |
| D8 | M20*1.5*8 | M22*1.5*10 | M18*1.5*20 | M22*1.5*16 | M22*1.5*16 |
| Trasmital Replacement of Bonfiglioli | Replacement of Brevini Riduttori | Replacement of Bosch Rexroth | Replacement of Comer Industries |
| Replacement of Reggiana Riduttori | Replacement of Rossi | Replacement of Zollern |
Address
Luotuo Industrial Area, Zhenhai District, Ningbo City, China
Tel
