
Application: Robot, Toys, Remote Control Toy cars, etc.| Motor model No | Rated voltageVDC | No-load speedr/min | No-load currentmA | Stall torqueg.cm | Stall currentA |
| TFE-130RA-12215 | 6.0 | 11500 | 120 | 20 | 0.85 |
| TFE-130RA-14175 | 3.0 | 8000 | 120 | 13 | 0.70 |
| TFE-130RA-18100 | 3.0 | 11500 | 250 | 20 | 1.80 |
![]() | ![]() |
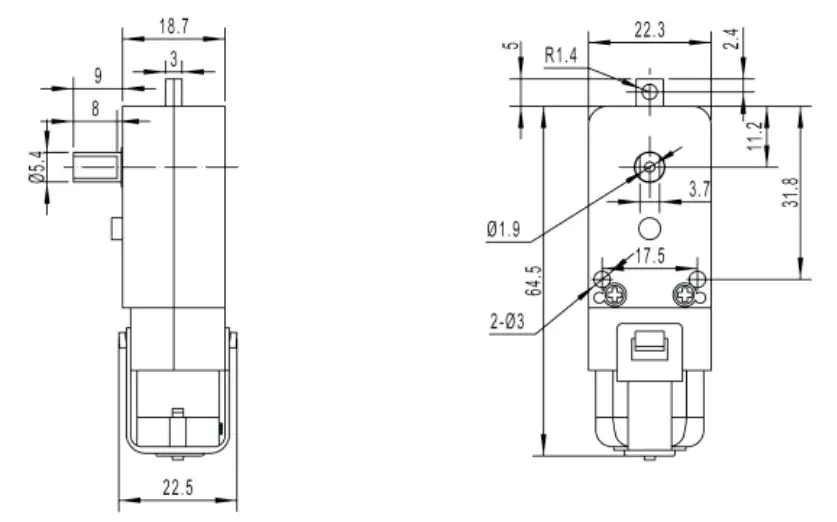
TGP01D-A130 | TGP01S-A130 |
![]() | ![]() |
TGP02D-A130 | TGP02S-A130 |
▎Design requirements – the design evaluation stage of studying product development requirements, design parameters, equipment functions, and product optimization.▎Design calculations – calculations used to determine which motor is best suited for your application. The design calculation determines the transmission ratio, torque, rotating mass, service factor, suspension load, and test analysis.▎Type of DC motor/gear motor - the most common motor converts electrical energy into mechanical energy. These types of motors are powered by direct current (DC).▎Motor Specifications – Once the design calculations are performed, and the application parameters are defined, you can use this data to determine which motor or gear motor will best fit your application. Some of the most common specs to consider when selecting a motor or gear motor would be:Address
Luotuo Industrial Area, Zhenhai District, Ningbo City, China
Tel
