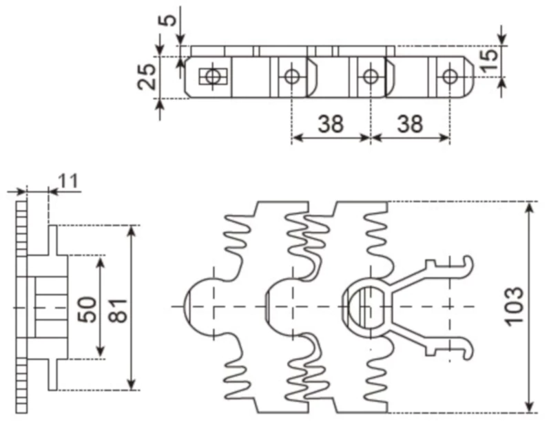
Features and Benefits of Plastic Snap-on Flexible Chains 103A Plain Chains (Fingered)Features:- Snap-on design: Plastic Snap-on Flexible Chains 103A Plain Chains (Fingered) are designed for quick and easy installation and removal, saving time and labor costs.- Fingered protrusions: The fingered protrusions on the chain provide extra grip and support, enabling efficient conveying of materials or products while preventing slippage or dropping.- Wear resistance: The plastic material has good wear resistance, which enables Plastic Snap-on Flexible Chains 103A Plain Chains (Fingered) to maintain durability and reliability under continuous use and high load conditions.- Lightweight: Compared to metal chains, plastic chains are lighter, making installation and operation more convenient while reducing the load on the conveying system.- Low noise: Plastic chains have lower noise levels compared to metal chains, providing a quieter operating environment.Benefits:- Improved conveying efficiency: The fingered protrusions design on Plastic Snap-on Flexible Chains 103A Plain Chains (Fingered) increases the grip and stability of materials or products, improving conveying efficiency and accuracy.- Reduced material loss: The protrusions design helps to prevent materials from slipping or falling during conveying, reducing material loss and waste.- Easy installation and maintenance: The snap-on design of Plastic Snap-on Flexible Chains 103A Plain Chains (Fingered) makes installation and maintenance easier and more efficient.- Corrosion resistance: The plastic material has good corrosion resistance, making it less susceptible to the effects of humidity, chemicals, or environmental factors, enabling long-term use under harsh conditions.- Cost-effective: Plastic Snap-on Flexible Chains 103A Plain Chains (Fingered) are usually more cost-effective compared to some high-cost conveying system chains, reducing overall costs.Applications of Plastic Snap-on Flexible Chains 103A Plain Chains (Fingered)1. Food processing and packaging industry: The chain is commonly used in conveyors, conveyor belts, and devices for transporting food, bottles, jars, and other food-related products.2. Logistics and sorting systems: Plastic Snap-on Flexible Chains 103A Plain Chains (Fingered) are commonly used in logistics and sorting systems for automatic sorting, classification, and transportation of packages and items.3. Electronic and semiconductor industry: In the automation equipment used in the electronic and semiconductor manufacturing process, the chain can be used to transport electronic components, semiconductor chips, and other related products.4. Warehousing and materials handling: Plastic Snap-on Flexible Chains 103A Plain Chains (Fingered) are also widely used in warehousing and materials handling fields for conveying, stacking, and handling various materials and goods.

Installation and Maintenance of Plastic Snap-on Flexible Chains 103A Plain Chains (Fingered)Here are some general guidelines for installing and maintaining Plastic Snap-on Flexible Chains 103A Plain Chains (Fingered):Installation:- Preparation: Ensure the work area is clean and check the integrity and suitability of the chain and related equipment.- Install the chain: Correctly install the chain into the conveying system according to the manufacturer's guidelines. Ensure the chain connections are tight and secure.- Tension the chain: Use an appropriate tension device to tension the chain as required, ensuring proper working tension of the chain.Maintenance:- Regular cleaning: Regularly clean the chain and conveying system to remove dust, dirt, and other impurities. Use warm water and neutral detergents for cleaning, avoiding the use of corrosive or solvent materials.- Check for wear: Regularly check for wear on the chain, especially on the fingered protrusions. Replace severely worn parts promptly to ensure proper chain function.- Lubrication: Lubricate the chain according to the manufacturer's recommendation. Use appropriate lubricants and follow the manufacturer's guidance and frequency.- Regular inspection: Regularly inspect the chain connections, tensioning devices, and other related components to ensure their proper operation and fastening state. If looseness or damage is found, repair or replace it promptly.Sprockets and Beams Matching Plastic Snap-on Flexible Chains 103A Plain Chains (Fingered)Raydafon provides matching sprockets and beams for Plastic Snap-on Flexible Chains 103A Plain Chains (Fingered). Sprockets are essential components for connecting the chains and driving the conveyor system. The beams are aluminum profiles used to support the chains and their loads, ensuring proper and stable conveying.

About Raydafon CompanyRaydafon was established in 2006 as a professional transmission parts company. Since its establishment, Raydafon has been committed to becoming an industry leader, not only providing products and services to well-known domestic enterprises, but also expanding its market to dozens of countries and regions in Asia, Europe, America, etc. We have multiple advanced production and testing equipment, including CNC gear grinding machines, gear measuring machines, CNC gear shaping machines, machining centers, CMMS, torque testing systems, etc. Our expertise, international certifications, customization services, production equipment and after-sales service set us apart from the competition. Raydafon produces various conveying equipment and accessories. Its products are widely used in various industries such as beverage and food processing, aquatic product processing, pharmaceuticals, packaging, and electronics. The company's main products include: plastic conveyor flat-top chains, keel chains, flexible chains and matching sprockets; stainless steel conveyor flat-top chains, roller chains and matching sprockets; plastic modular conveyor belts and matching sprockets. In addition, we also provide agricultural machinery gearboxes, PTO shafts, air compressors, hydraulic cylinders, trailers, various agricultural machinery accessories, etc. Please contact us if you need them. Customers are welcome to inquire and customize products.
FAQs about Plastic Snap-on Flexible Chains 103A Plain Chains (Fingered):1. Can Plastic Snap-on Flexible Chains 103A Plain Chains (Fingered) be used in high-temperature environments?Answer: No, the chains are made of plastic material, which is not suitable for high-temperature environments.2. Are Plastic Snap-on Flexible Chains 103A Plain Chains (Fingered) resistant to chemicals?Answer: Yes, the plastic material used in the chains has good chemical resistance.3. Can Plastic Snap-on Flexible Chains 103A Plain Chains (Fingered) be customized according to specific requirements?Answer: Yes, Raydafon can provide customized services according to specific needs.4. How often should Plastic Snap-on Flexible Chains 103A Plain Chains (Fingered) be lubricated?Answer: Lubrication frequency depends on the specific application and working conditions. Please refer to the manufacturer's recommendation for proper lubrication guidance.5. What is the maximum load capacity of Plastic Snap-on Flexible Chains 103A Plain Chains (Fingered)?Answer: The maximum load capacity depends on the specific chain and application. Please refer to the manufacturer's specification for load capacity information.Address
Luotuo Industrial Area, Zhenhai District, Ningbo City, China
Tel
