
QY | Shaft Direction![]() | Shaft Direction![]() | Shaft Direction![]() |
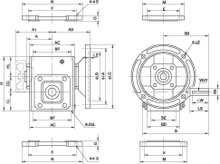
| SIZE | RATIO | A | A1 | AB | AC | B | BB | BD | BE | BF | CC | H | NEMA Frame |
| 133 | 5:1 10:1 15:1 20:1 30:1 40:1 50:1 60:1 | 2.12 | 3.96 | 4.00 | 6.03 | 4.00 | 2.88 | 2.00 | 3.25 | 1.333 | 4.66 | 56C | |
| 154 | 2.75 | 4.50 | 5.13 | 6.76 | 4.31 | 3.69 | 2.75 | 4.19 | 1.540 | 5.38 | 56C | ||
| 175 | 2.75 | 4.37 | 4.81 | 6.75 | 4.31 | 3.38 | 2.75 | 4.19 | 1.750 | 5.75 | 56C | ||
| 206 | 3.00 | 4.76 | 5.50 | 7.25 | 4.69 | 3.75 | 2.88 | 5.00 | 2.062 | 6.38 | 56C | ||
| 237 | 3.56 | 5.10 | 6.13 | 7.78 | 5.08 | 4.06 | 2.88 | 5.00 | 2.375 | 6.94 | 56C 140TC | ||
| 262 | 3.69 | 5.69 | 7.12 | 8.50 | 5.63 | 4.44 | 3.38 | 6.38 | 2.625 | 8.00 | 56C 140TC 180TC | ||
| 300 | 4.50 | 5.93 | 5.67 | 8.50 | 10.25 | 6.75 | 5.50 | 4.00 | 7.00 | 3.000 | 8.88 | 56C 140TC | |
| 6.45 | 180TC | ||||||||||||
| 325 | 4.50 | 5.93 | 5.69 | 8.50 | 10.50 | 7.06 | 5.00 | 4.00 | 7.50 | 3.250 | 9.38 | 56C 140TC | |
| 6.47 | 180TC | ||||||||||||
| 375 | 5.75 | 7.42 | 6.01 | 9.50 | 11.88 | 7.75 | 6.38 | 4.75 | 8.50 | 3.750 | 10.44 | 56C 140TC | |
| 6.79 | 180TC 210TC | ||||||||||||
| 450 | 5.63 | 8.11 | 6.69 | 10.88 | 13.16 | 8.44 | 7.38 | 5.81 | 9.56 | 4.500 | 11.94 | 140TC | |
| 7.47 | 180TC 210TC | ||||||||||||
| 516 | 6.44 | 8.92 | 8.28 | 12.50 | 13.91 | 9.06 | 7.38 | 5.81 | 11.00 | 5.167 | 13.75 | 180TC 210TC | |
| 600 | 7.44 | 10.70 | 9.68 | 14.50 | 15.31 | 10.00 | 8.13 | 6.38 | 12.75 | 6.000 | 16.50 | 180TC 210TC |
| SIZE | HL | LL | Z | L | Output Shaft | With Horizontal Base | ||||||||
| S | LS | W×V | LW | E | F | M | N | G | X | |||||
| 133 | 1.61 | 1.72 | 5/16-18 | 0.50 | 0.625 | 2.00 | 3/16×3/32 | 1.31 | 3.31 | 4.38 | 4.19 | 5.38 | 0.53 | 0.34 |
| 154 | 1.92 | 1.91 | 5/16-18 | 0.50 | 0.750 | 1.78 | 3/16×3/32 | 0.88 | 4.31 | 5.25 | 5.44 | 6.44 | 0.59 | 0.41 |
| 175 | 1.94 | 2.06 | 5/16-18 | 1.50 | 0.875 | 1.88 | 3/16×3/32 | 1.00 | 4.50 | 5.75 | 5.56 | 7.00 | 0.69 | 0.41 |
| 206 | 2.04 | 2.28 | 3/8-16 | 0.60 | 1.000 | 2.00 | 1/4×1/8 | 1.75 | 4.69 | 6.38 | 5.76 | 7.69 | 0.72 | 0.47 |
| 237 | 2.07 | 2.50 | 3/8-16 | 0.60 | 1.125 | 2.37 | 1/4×1/8 | 1.38 | 4.88 | 7.06 | 6.19 | 8.50 | 0.75 | 0.47 |
| 262 | 2.44 | 2.94 | 3/8-16 | 0.60 | 1.125 | 2.50 | 1/4×1/8 | 2.00 | 5.25 | 8.00 | 6.50 | 9.25 | 0.75 | 0.53 |
| 300 | 2.63 | 3.25 | 7/16-14 | 0.80 | 1.250 | 3.25 | 1/4×1/8 | 2.25 | 5.88 | 8.44 | 7.36 | 10.16 | 0.88 | 0.53 |
| 325 | 2.63 | 3.50 | 7/16-14 | 0.80 | 1.375 | 3.25 | 5/16×5/32 | 2.41 | 6.13 | 9.50 | 7.75 | 11.12 | 0.88 | 0.53 |
| 375 | 2.81 | 3.88 | 1/2-13 | 1.00 | 1.625 | 3.50 | 3/8×3/16 | 2.19 | 7.00 | 10.38 | 8.63 | 12.00 | 0.94 | 0.59 |
| 450 | 2.94 | 4.50 | 5/8-11 | 1.00 | 1.625 | 3.66 | 3/8×3/16 | 2.50 | 7.63 | 12.13 | 9.33 | 13.88 | 1.13 | 0.66 |
| 516 | 3.28 | 5.31 | 5/8-11 | 1.00 | 2.000 | 4.16 | 1/2×1/4 | 2.81 | 8.38 | 14.13 | 10.38 | 16.38 | 1.13 | 0.78 |
| 600 | 4.00 | 6.50 | 5/8-11 | 1.00 | 2.250 | 4.56 | 1/2×1/4 | 3.38 | 9.50 | 16.50 | 12.00 | 19.00 | 1.25 | 0.91 |
Address
Luotuo Industrial Area, Zhenhai District, Ningbo City, China
Tel
