The RDF-GMSS40 Stainless Steel Worm Reducer is a series of reducers that features a 304 precision-cast housing, a 12-2 tin bronze worm, and a 304 wheel core. It is equipped with fully synthetic worm gear oil. The housing of the reducer is processed on all six sides, providing an aesthetically pleasing appearance and corrosion resistance. Please see the image below for reference:

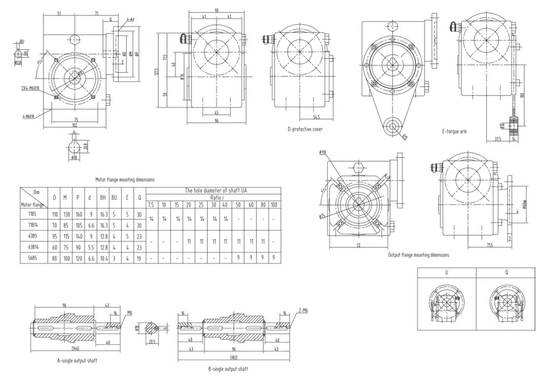
This image provides the installation dimensions for the RDF-GMSS40 Stainless Steel Worm Reducer:

The RDF-GMSS40 Stainless Steel Worm Reducer is widely used in various industries and scenarios, including:



Along with our RDF-GMSS40 Stainless Steel Worm Reducer, we also offer a range of stainless steel motors. Our motors are specifically designed to work seamlessly with the RDF-GMSS40, ensuring optimal performance and longevity. Take a look at our motor sizes and stainless steel motor options below:


RDF-GMSS40 Stainless Steel Worm Reducer is a top-quality product offered by our company (Raydafon), renowned for its unique selling points. We pride ourselves on delivering exceptional product quality and outstanding services. Our stainless steel worm reducers are designed to provide superior performance and reliability, meeting the highest industry standards.
At Raydafon, we go beyond stainless steel reducers and offer a wide range of other non-standard gear reducers for sale. Our product portfolio includes fully automatic car wash machine reducers, fountain reducers, snow blower reducers, and many more. With our diverse range of gear reducers, we cater to various industrial needs and ensure our customers find the perfect solution for their specific requirements.
Our commitment to excellence is evident in every aspect of our business, from product development to customer support. We strive to understand our customers' needs and provide them with tailored solutions that enhance their operations. With our extensive industry knowledge and expertise, we continuously improve our products and services to exceed customer expectations.

Address
Luotuo Industrial Area, Zhenhai District, Ningbo City, China
Tel
