Raydafon Technology Group Co.,Limited
Raydafon Technology Group Co.,Limited
Products
Products
RDF-SSVF50 Stainless Steel Reduction Gearbox
  • RDF-SSVF50 Stainless Steel Reduction GearboxRDF-SSVF50 Stainless Steel Reduction Gearbox

RDF-SSVF50 Stainless Steel Reduction Gearbox

Discover the Raydafon Group RDF-SSVF50 Stainless Steel Reduction Gearbox: a durable, corrosion-resistant solution for industrial automation and machinery. Engineered with precision gearing and a sleek design, it ensures reliable power transmission in harsh environments. Ideal for engineers and manufacturers, it boosts efficiency, reduces downtime, and delivers lasting performance. Experience unmatched quality and innovation that sets Raydafon apart. Elevate your operations today!

Introduction of RDF-SSVF50 Stainless Steel Reduction Gearbox

The RDF-SSVF50 stainless steel reduction gearbox is designed based on the VF worm gear reducer. It features a 304 precision cast body, compact structure, a 304 wheel core, and a 12-2 tin bronze worm. The gearbox is coated with electrolytic polishing to enhance corrosion resistance and ease of cleaning. It also offers a variety of speed ratios. Please refer to the following image for more information:RDF-SSVF50 Stainless Steel Reduction Gearbox

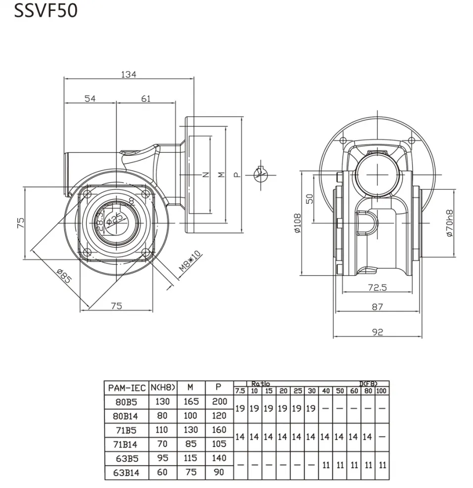
Dimensions of RDF-SSVF50 Stainless Steel Reduction Gearbox

The following information showcases the installation dimensions of the RDF-SSVF50 Stainless Steel Reduction Gearbox. Please refer to the image below for detailed dimensions.RDF-SSVF50 Stainless Steel Reduction Gearbox

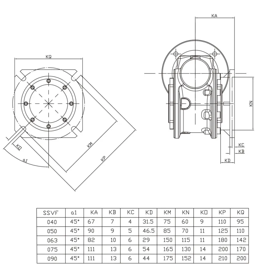
SSVF...F Output Flange Dimension

The SSVF...F reduction gearbox features a stainless steel output flange with dimensions made from 304-grade material. The output flange is designed to provide a secure and reliable connection for various applications.RDF-SSVF50 Stainless Steel Reduction Gearbox

Output Shafts of SSFV Stainless Steel Worm Gearbox

The output shaft of RDF-SSVF50 Stainless Steel Reduction Gearbox is made of 304 material. See image below:RDF-SSVF50 Stainless Steel Reduction Gearbox

SSFV Worm Gearbox Torque Arm

RDF-SSVF50 Stainless Steel Reduction Gearbox

Application of RDF-SSVF50 Stainless Steel Reduction Gearbox

The RDF-SSVF50 Stainless Steel Reduction Gearbox is widely used in various industries and scenarios. It provides reliable and efficient power transmission for the following industries:
  • Food and beverage processing
  • Pharmaceutical and medical equipment
  • Chemical and petrochemical
  • Agriculture and farming
  • Packaging and labeling
  • Material handling and conveyor systems
  • Water and wastewater treatment
  • Renewable energy
RDF-SSVF50 Stainless Steel Reduction Gearbox

Stainless Steel Worm Reducer Selection

RDF-SSVF50 Stainless Steel Reduction Gearbox is a reliable and durable option for various industrial applications. When selecting the appropriate stainless steel worm reducer, it is important to consider the following factors:
  • Application requirements: Understand the specific requirements of your application and select a reducer that meets those requirements.
  • Ratio: Choose a reducer with the appropriate ratio to ensure optimal performance and efficiency.
  • Input and output speed: Determine the required input and output speeds to select a reducer that can handle those speeds.
  • Load capacity: Ensure that the reducer can handle the maximum load capacity of your application.
  • Environmental conditions: Consider the environmental conditions in which the reducer will be operating, such as temperature, humidity, and exposure to corrosive elements.
Please refer to the following parameter tables for RDF-SSVF50 Stainless Steel Reduction Gearbox to choose the appropriate model for your application:RDF-SSVF50 Stainless Steel Reduction GearboxRDF-SSVF50 Stainless Steel Reduction Gearbox

Stainless Steel Motors for RDF-SSVF50 Stainless Steel Reduction Gearbox

Our company not only provides stainless steel gearboxes, but also offers a range of stainless steel motors that are compatible with the RDF-SSVF50 Stainless Steel Reduction Gearbox. These motors are designed to work seamlessly with the gearbox, providing reliable and efficient performance.RDF-SSVF50 Stainless Steel Reduction Gearbox 

Stainless Steel Worm Reducers Manufacturer

RDF-SSVF50 Stainless Steel Reduction Gearbox is a testament to our company's unique selling points. We pride ourselves on the exceptional quality and service that sets us apart. Our stainless steel reducers are a testament to our commitment to providing top-of-the-line products.In addition to stainless steel reducers, Raydafon also offers a wide range of other non-standard reduction gearboxes for sale. Our product lineup includes full automatic car wash machine reducers, fountain reducers, snow blower reducers, and many more.RDF-SSVF50 Stainless Steel Reduction Gearbox
Hot Tags: Stainless Steel Reduction Gearbox, Custom Reduction Gearbox, OEM Reduction Gearbox Supplier
Send Inquiry
Contact Info
Get customized quotes for transmission components, gearboxes, and machinery. Our engineers will respond within 24 hours.
Online
X
We use cookies to offer you a better browsing experience, analyze site traffic and personalize content. By using this site, you agree to our use of cookies. Privacy Policy
Reject Accept