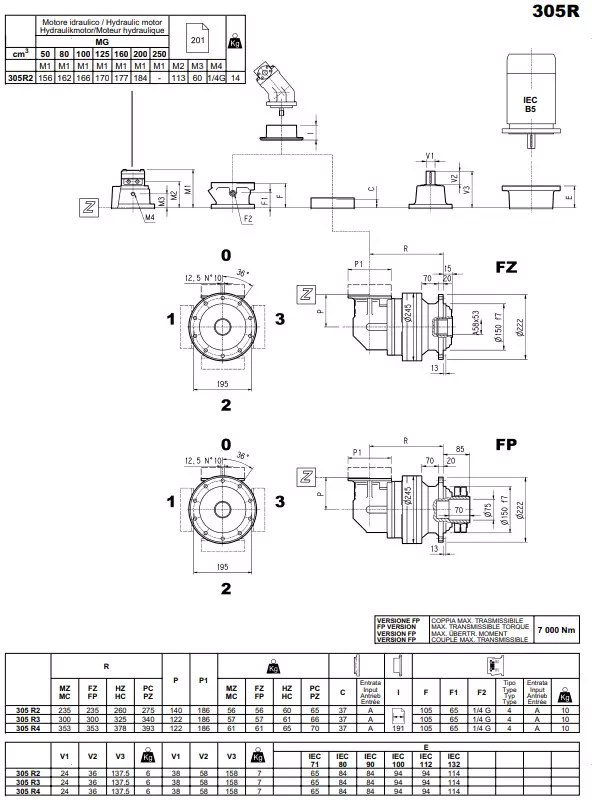
Dimension of 305R Series Planetary Gearbox
Type | Rated torque (Nm) | Rated power (Kw) | Input speed (Max rpm) | Ratio range for Inline gear | Ratio range for Right angle gear | Ratio range for Combined withworm gear | Design |
300 | 1000 | 20 | 3000 | 3.3-2700 | 7-800 | 400-9000 | A |
301 | 1750 | 30 | 3000 | 3.3-2700 | 7-800 | 400-9000 | A |
303 | 2500 | 40 | 3000 | 3.6-2900 | 9-900 | 400-9000 | A |
305 | 5000 | 60 | 3000 | 3.6-2900 | 9-900 | 400-9000 | A |
306 | 8500 | 75 | 2500 | 3.7-2900 | 9-900 | 400-9000 | A |
307 | 12500 | 100 | 2500 | 3.4-2500 | 13-800 | 400-9000 | A |
309 | 18500 | 130 | 2500 | 3.4-2500 | 13-800 | 400-9000 | B |
310 | 25000 | 150 | 2000 | 3.8-2500 | 40-900 | 400-9000 | B |
311 | 35000 | 180 | 2000 | 4-2200 | 18-800 | 400-9000 | B |
313 | 50000 | 200 | 2000 | 4-2200 | 18-800 | 400-9000 | B |
315 | 80000 | 250 | 1500 | 4-2000 | 70-900 | 400-9000 | B |
316 | 105000 | 270 | 1500 | 4-2000 | 50-600 | 400-9000 | B |
317 | 150000 | 300 | 1000 | 4-1900 | 70-900 | 400-3000 | B |
318 | 200000 | 340 | 1000 | 4-1100 | 200-700 | 400-9000 | B |
319 | 300000 | 380 | 500 | 4-1400 | 300-800 | 1000-9000 | B |
321 | 450000 | 450 | 500 | 4-1100 | 300-800 | 1000-9000 | B |
Meanwhile, we can also design and manufacture planetary gearbox according to your requirements.
![]() | ![]() | ![]() | ![]() |
Planetary Feed Mixer Gearbox | Tracked Vehicle | Winch Drive | Wheeled Vehicle Drive |
![]() | ![]() | ![]() | ![]() |
Slewing Drive | Wind Turbines Drive | Inline Planetary gearbox | Right Angle Planetary gearbox |
| 300L 1 | 300L 2 | 300L 3 | 300L 4 | 300R2 | 300R3 | 300R4 |
| 301L 1 | 301L 2 | 301L 3 | 301L 4 | 301R2 | 301R3 | 301R4 |
| 303L 1 | 303L 2 | 303L 3 | 303L 4 | 303R2 | 303R3 | 303R4 |
| 305L 1 | 305L 2 | 305L 3 | 305L 4 | 305R2 | 305R3 | 305R4 |
| 306L 1 | 306L 2 | 306L 3 | 306L 4 | 306R2 | 306R3 | 306R4 |
| 307L 1 | 307L 2 | 307L 3 | 307L 4 | 307R2 | 307R3 | 307R4 |
| 309L 1 | 309L 2 | 309L 3 | 309L 4 | 309R2 | 309R3 | 309R4 |
| 310L 1 | 310L 2 | 310L 3 | 310L 4 | 310R2 | 310R3 | 310R4 |
| 311L 1 | 311L 2 | 311L 3 | 311L 4 | 311R2 | 311R3 | 311R4 |
| 313L 1 | 313L 2 | 313L 3 | 313L 4 | 313R2 | 313R3 | 313R4 |
| 315L 1 | 315L 2 | 315L 3 | 315L 4 | 315R3 | 315R4 | |
| 316L 1 | 316L 2 | 316L 3 | 316L 4 | 316R3 | 316R4 | |
| 317L 1 | 317L 2 | 317L 3 | 317L 4 | 317R3 | 317R4 | |
| 318L 1 | 318L 2 | 318L 3 | 318L 4 | 318R4 | ||
| 319L 1 | 319L 2 | 319L 3 | 319L 4 | 319R4 | ||
| 321L 1 | 321L 2 | 321L 3 | 321L 4 | 321R4 |
Address
Luotuo Industrial Area, Zhenhai District, Ningbo City, China
Tel
