RF Series Inline Coaxial Helical Gearbox with Flange Mounted
RF series helical gearbox is a coaxial helical gearbox with a modular design. It uses helical gears as transmission parts, and its work efficiency is higher than other types of reducers. It has features of finely ground tooth surfaces, low noise, compact structure, sophisticated design, and various installation methods. Multi-directional combined installation forms and structure forms are available according to the customer’s needs to meet the needs of various transmission conditions. RF series helical gear reducer can be combined with R series reducer, F series reducer, K series reducer, and S series reducer, which is suitable for special low-speed applications.Its input methods include direct motor input, AM (IEC) flange input, and AD shaft input. Its output method is solid shaft output. It can be equipped with a variable frequency motor, brake motor, explosion-proof motor, servo motor, AC motor, DC motor, three-phase motor, etc. Its ambient temperature is -40 to 50 °C (the lubricating oil needs to be heated to above 0 °C or antifreeze lubricating oil is used when starting below 0 °C), and the input speed should not be more than 2800 rpm. It can run forward and reverse no any industry restrictions.
| Product name: | RF series coaxial helical gear reducer |
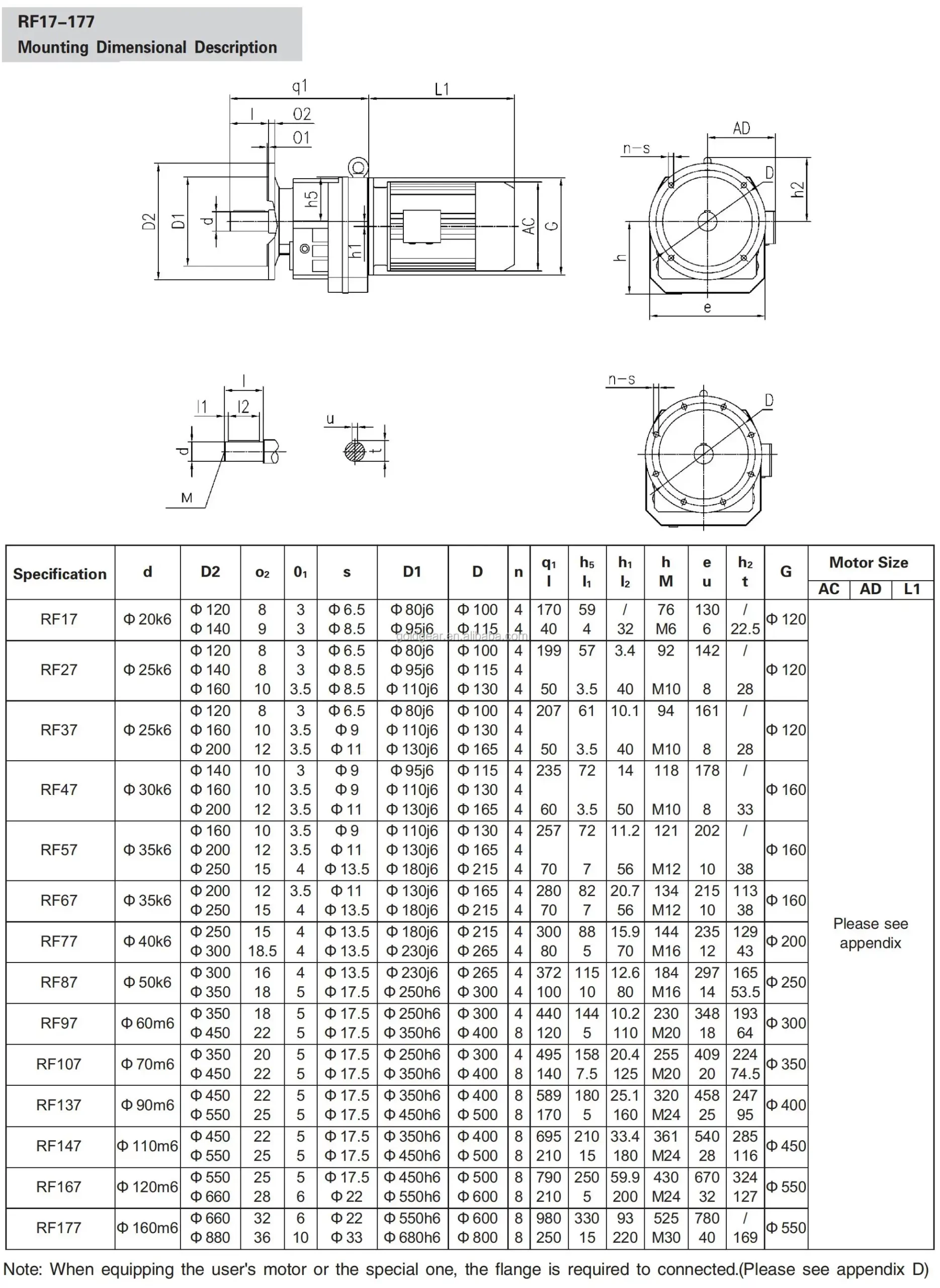
| Model: | RF17/27/37/47/57/67/77/87/97/107/137/147/167 |
| Mounting ways: | Foot mounted and flange mounted |
| Input ways: | Motor input, AM (IEC) flange input, and shaft input |
| Output way: | Solid shaft output |
| Efficiency: | 94%-98%(depends on the transmission stage) |
| Housing material: | HT250 high-strength cast iron |
| Gear material: | 20CrMnTi |
| Surface hardness of gears: | HRC58-62 |
| Input/Output shaft: | 40Cr steel |
| Heat treatment: | Carburizing and quenching |
| Bearing: | C&U or another brand |
| Oil seal: | NAK or another brand |
| Lubricating oil: | Gear oil |
| Packing: | Pywood case |
| Size | 17 | 27 | 37 | 47 | 57 | 67 | 77 | 87 | 97 | 107 | 137 | 147 | 167 |
| Structure | R RF | ||||||||||||
| Input powerrating (kW) | 0.18-0.75 | 0.18-3 | 0.18-3 | 0.18-5.5 | 0.18-7.5 | 0.18-7.5 | 0.18-11 | 0.55-22 | 0.55-30 | 22-45 | 5.5-55 | 11-90 | 11-160 |
| Ratio | 3.83-74.84 | 3.37-135.09 | 3.33-134.82 | 3.83-176.88 | 4.39-186.88 | 4.29-199.81 | 5.21-195.24 | 5.36-246.54 | 4.49-289.74 | 5.06-249.16 | 5.15-222.60 | 5.00-163.31 | 10.24-229.71 |
| Permissible torque(N.M) | 85 | 130 | 200 | 300 | 450 | 600 | 820 | 1550 | 3000 | 4300 | 8000 | 13000 | 18000 |






Address
Luotuo Industrial Area, Zhenhai District, Ningbo City, China
Tel
