Rotary Cutter Gearboxes - Replacement of Omni Code RC-51 Gearbox
The RC51 rotary cutter gearbox is a specific model of rotary cutter gearbox that is designed to be used with rotary cutters or brush cutters that require a heavy-duty gearbox to handle demanding cutting conditions. The RC51 rotary cutter gearbox is commonly used in agricultural and industrial applications for cutting and clearing vegetation, such as brush, weeds, and thick grass. This rotary cutter gearbox RC51 features sturdy cast iron housing and heavy-duty gears that are designed to handle the high torque and horsepower of modern tractors. It also includes features such as a high-capacity oil reservoir, oversized bearings, and metal oil seals to ensure long-lasting durability and reliable performance.The RC51 rotary cutter gearbox is easy to install and maintain. It can be installed on most rotary cutters with a simple bolt-on connection. The gearbox is also easy to disassemble for cleaning and lubrication. The RC51 rotary cutter gearbox is a reliable and durable gearbox that is perfect for use on rotary cutters. It is made from high-quality materials and is built to last. The gearbox is also easy to install and maintain. If you are looking for a reliable and durable gearbox for your rotary cutter, the RC51 rotary cutter gearbox is a perfect choice.

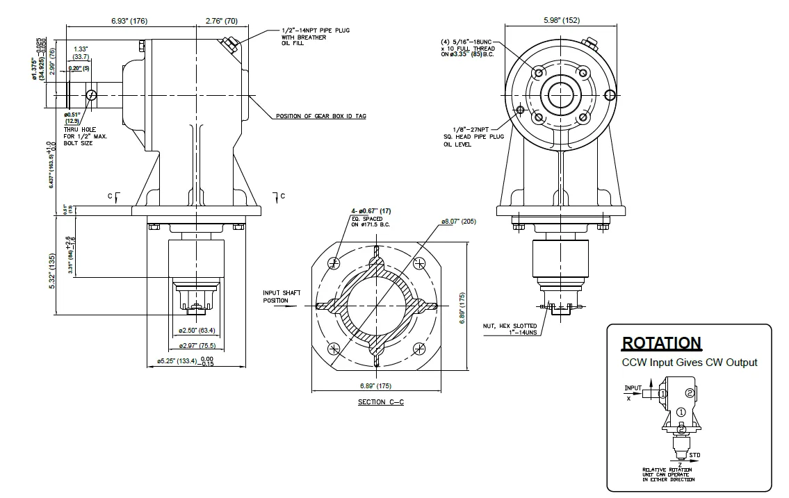
| Model | EPT-RC51 Rotary Cutter Gearbox |
| Torque | 2,800 - 4,667 lb.-in.(316 - 527 Nm.) |
| Ratios | 1:1.47, 1:1.71, 1:1.93 |
| Gear Type | Bevel |
| Seal Type | Triple Lip Spring Loaded |
| Bearing Type | Tapered Roller,Deep Groove Ball |
| Oil Capacity | 27 oz.(0.80 L) |
| Weight | 56 lbs.(25.4 kg.) |
![]() | ![]() |
![]() | ![]() |

Address
Luotuo Industrial Area, Zhenhai District, Ningbo City, China
Tel
