Rotary Mower Gearbox – Replacement of Comer Code TF-285B
We can provide you with the durable gearboxes to optimize your work time! Installing a quality gearbox on your rotary mower ensures smooth operation and improved performance. Each rotary mower gearbox is equipped with high-speed ball bearing units, heat-treated gears and shafts to ensure long service life. The specifications of our rotary mower gearboxes are in accordance with industry standards.

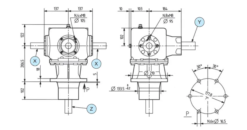
| i | N1[rpm] | P1[kW] | M2[Nm] | Shaft Type | Input | ||
| X | Y | Z | |||||
| 1.86 | 1000 | 91.9 | 709 | 1'' 3/8 Z21 | 1'' 3/4 Z20 | Hub connection | Y |

Address
Luotuo Industrial Area, Zhenhai District, Ningbo City, China
Tel
