Rotary Mower Gearboxes - Replacement of Comer Code LF-141A 1:2.83
The rotary mower gearbox LF-141A is a type of gearbox that is specifically designed for rotary mowers used in agricultural applications. It is a high-quality, heavy-duty rotary mower gearbox that is made with durable materials and designed to withstand the demands of frequent and heavy use.The rotary mower gearbox LF-141A is designed with a 1:2.83 gear ratio that provides the optimum speeds and torque output required for efficient mowing. It is compatible with a range of different types of rotary mowers and can be easily attached to most types of tractors using an agricultural PTO (Power Take-Off) shaft.One of the key features of the rotary mower gearbox LF-141A is its compact design, which makes it easy to install and maintain. It is made with high-quality bearings, gears, and seals and includes a heavy-duty input shaft to ensure that it can withstand the demands of heavy-duty agricultural work. Another advantage of the rotary mower gearbox LF-141A is its low maintenance requirements. The gearbox is designed with easy access to components, making it simple to lubricate and replace worn parts as needed.In summary, the rotary mower gearbox LF-141A is a high-quality and reliable gearbox that is specifically designed for use in rotary mowers used in agricultural applications. It is made with durable materials, has a compact design for easy installation and maintenance, and provides the speed and torque output required for efficient mowing.
![]() | ![]() |
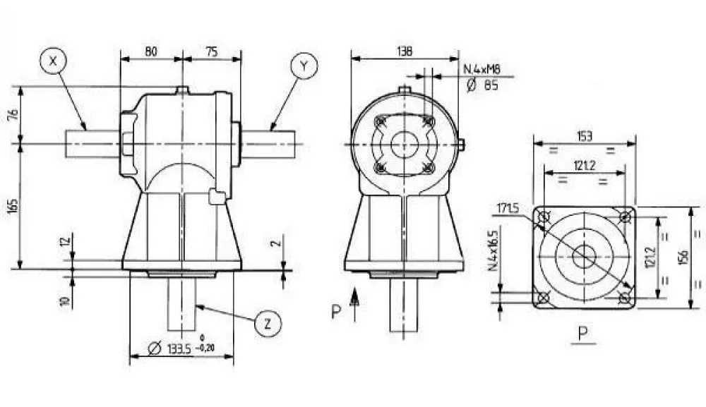
| Description | Rotary Mower Gearboxes - Replacement of Comer Gearbox LF-141A 1:2.83 |
|---|---|
| Application | Mowers |
| Consists of |
|
| Technical information |
|
| Contains oil | No |
| Max. oil capacity | 0.5 l |
| Max. oil change interval | 500 h |
| Oil SAE viscosity grade | 80W-90 |
| Housing material | Cast iron GG25 |
| Weight | 14 kg |
| Gear arrangement Increasing | 23 - 24 |
| Input power kW / HP Increasing | 14.7 / 20 kW/HP |
| Input shaft Increasing | Y |
| Output Torque DaNm Increasing | 8.9 daNm |
| Ratio Increasing | 1: 2.83 |
| Ratio Reducing | 2.83: 1 |
| Shaft Y | 1 3/8" (6) (B) |
| Shaft Z | 33 (C) |

![]() | ![]() |
| Rotary Mower Gearboxes | Flail Mower Gearboxes |
![]() | ![]() |

Address
Luotuo Industrial Area, Zhenhai District, Ningbo City, China
Tel
