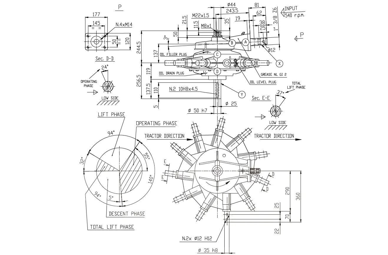
Rotary Rake Gearbox - Replacement of Comer Code K-792A 8.2:1
The rotary rake gearbox K-792A is a component that is commonly used in agricultural machinery, specifically in rotary rakes. It is designed to provide the gear reduction required to power the rotary rake and optimize its performance in terms of speed and power.The rotary rake gearbox K-792A is manufactured by leading agricultural gear manufacturers and is designed to be robust and durable, capable of withstanding the harsh conditions often encountered in agricultural applications. It has a high power density and offers a wide range of gear ratios to suit all rotary rake requirements.The rotary rake gearbox is typically mounted on the rotary rake and is driven by the PTO shaft of a tractor or similar equipment. It is designed to increase the torque and reduce the speed of the rotational output from the PTO shaft to match the ideal operating speed of the rotary rake.The rotary rake gearbox K-792A is a vital component in many agricultural settings where efficient and reliable rotary rakes are required. It is important to ensure that the gearbox is correctly installed and maintained to enable optimal performance and protect against wear or damage.![]() | ![]() |

| Product Description | Rotary Rake Gearbox - Replacement of Comer Gearbox K-792A 8.2:1 |
|---|---|
| Product details |
|
| Model | K-792A |
| Max. output torque | 210 nm |
| Suitable for machine/vehicle brand |
|
| Rotation direction | n/a |
| Contains oil | No |
| Oil SAE viscosity grade | 90EP |
| Housing material | Cast iron |
| Housing color | Brown |
| Number of arms | 11 |
| Gear ratio | 8,2:1 |
| Input shaft | 1 3/8 Z6 |
| Shaft type | 1 x 1.3/8 (Z6) |

![]() | ![]() |

![]() | ![]() |

Address
Luotuo Industrial Area, Zhenhai District, Ningbo City, China
Tel
