Rotary Tiller Gearboxes – Replacement of Comer Code TLZ-292A
Rotary tillers are durable machines employed in gardening and agricultural applications. They serve in the preparation of the seed seedbed to mix the fertilizers and get rid of the weeds. They can also be used to prepare the soil to construct roads. The rotary tillers are typically connected to a tractor with two wheels. Its PTO shaft on the tractor is the one that drives the tiller's rotary shaft. Some tillers come with additional attachments like a planter, shredder/grinder, or even a sicklebar mower.In a rotary tiller gearbox, there are various input shafts as well as a range of speeds. This allows for easy adjustments of the rotor's speed as well as rapid adjustments. Additionally, a range of gears can be set at different speeds without draining the oil in the gearbox.

| i | 1.86 |
| N1[rpm] | 540 |
| P1[kW] | 47.8 |
| M2[Nm] | 1525 |
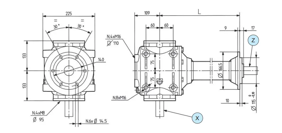
Shaft X![]() | 1'' 3/8 Z6 |
Shaft Z![]() | 42*48 |
| Input | X |






Address
Luotuo Industrial Area, Zhenhai District, Ningbo City, China
Tel
