Round Baler Gearbox - Replacement of Comer Code T-304A 1:3
The round baler gearbox T-304A is a type of gearbox used in round balers. It is a high torque gearbox that is designed to provide the power required for compaction and baling. The round baler gearbox T-304A in a round baler connects to the PTO shaft of the tractor and delivers power to the baling system, which then compresses the hay or straw to form a tight, round bale that is tied off and released from the back of the baler.Like other agricultural gearboxes, the round baler gearbox T-304A is crucial for the proper functioning of the round baler. It requires regular maintenance, including lubrication and inspection, to ensure it is working correctly. Proper care and maintenance of the round baler gearbox T-304A will help extend its lifespan and prevent expensive repairs or replacements.When it comes to round baler gearboxes, there are several other variations, including those with different gear ratios, output shaft sizes, and input shaft styles. It is essential to use the proper gearbox for your baler model and to follow the manual's recommendations for maintenance and operation to ensure optimal performance and avoid malfunctions or breakdowns.

| Description | Round Baler Gearbox - Replacement of Comer Gearbox T-304A 1:3 |
|---|---|
| Product Details |
|
| Application |
|
| Consists of |
|
| Technical information |
|
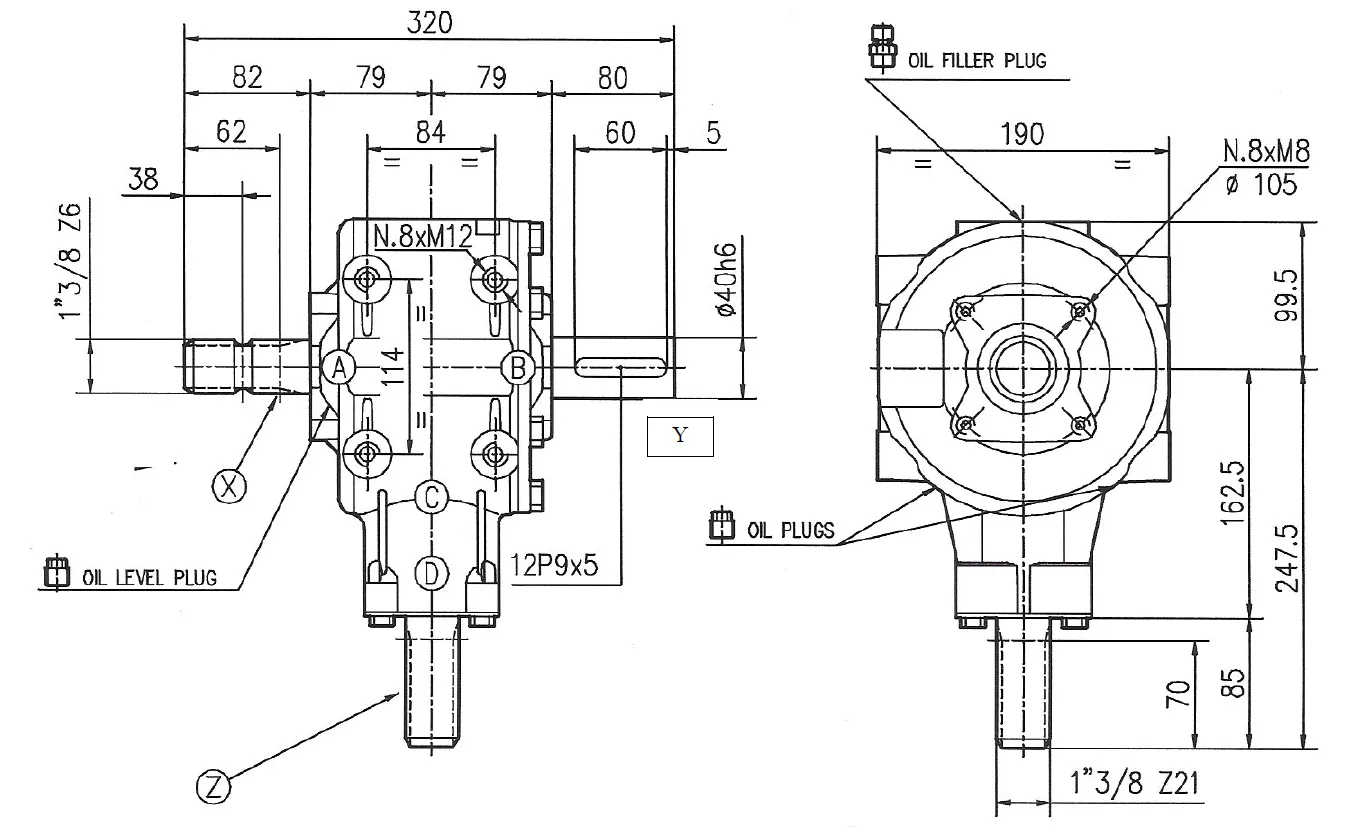
| Max. output torque | 94.5 daNm |
| Contains oil | No |
| Max. oil capacity | 1.1 l |
| Max. oil change interval | 500 h |
| Oil SAE viscosity grade | 80W-90 |
| Housing material | Cast iron GG25 |
| Weight | 19 kg |
| Gear arrangement Increasing | 25 - 26 - 27 - 28 |
| Gear arrangement Reducing | 5 - 6 |
| Input power kW / HP Increasing | 36.8 / 50 kW/HP |
| Input shaft Increasing | X - Y |
| Input shaft Reducing | Z |
| Input power KW / HP Reducing | 18.4 / 25 kW/HP |
| Output Torque DaNm Increasing | 21 daNm |
| Ratio Increasing | 1: 3 |
| Ratio Reducing | 3: 1 |
| Shaft X | 1 3/8" (6) (A) |
| Shaft Y | 1 3/8" (6) (A) |
| Shaft Z | 1 3/8" Z6 |

![]() | ![]() |

![]() | ![]() |

Address
Luotuo Industrial Area, Zhenhai District, Ningbo City, China
Tel
