A slewing drive planetary gearbox is a mechanical device used in various applications for transmitting torque and providing rotational movement. It consists of a set of planetary gears enclosed in a housing, with an input and output shaft. The main purpose of a slewing drive planetary gearbox is to control the rotation and movement of machinery or equipment.
The RPR320DC slewing drive offers a high torque capacity, allowing it to handle heavy loads and operate smoothly under demanding conditions.
With its compact size, the RPR320DC slewing drive is suitable for applications where space is limited.
Designed with precision, the RPR320DC slewing drive ensures accurate and reliable positioning.
Constructed with high-quality materials, the RPR320DC slewing drive is built to withstand harsh environments and provide long-lasting performance.
The RPR320DC slewing drive is designed for easy installation, saving time and effort during setup.

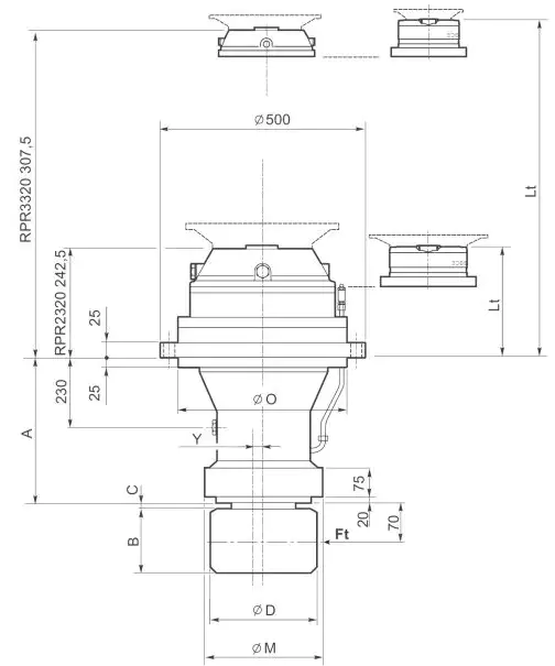
Our slewing drive planetary gearbox has the same installation dimensions as the Replacement of Brevini Riduttori brand, ensuring a high level of comparability in performance parameters. This makes it an ideal replacement for Replacement of Brevini Riduttori products. Please note that we do not sell Replacement of Brevini Riduttori products; the mention of Replacement of Brevini Riduttori models is purely for customer convenience.

The slewing drive planetary gearbox finds application in various scenarios, including:
When replacing an old slewing drive planetary gearbox, certain parameters should be considered:

The replacement gearbox should have the same size and dimensions as the old one to ensure proper fit and compatibility.
It is crucial to match the load capacity of the replacement gearbox to the requirements of the application to maintain optimal performance.
The replacement gearbox should have compatible mounting options to ensure hassle-free installation.
The input and output speed of the replacement gearbox should be suitable for the intended application.
Consider factors such as temperature, humidity, and environmental conditions to select a replacement gearbox that can withstand the operating conditions.
Signs indicating the need for a new slewing drive gearbox:
If the gearbox produces unusual and loud noises, it may indicate internal damage or wear and tear.
When the gearbox fails to deliver the expected torque or rotational movement, it may be time for a replacement.
If there are noticeable leaks in the gearbox, it may indicate a seal or gasket failure, requiring a new gearbox.
If the gearbox exhibits erratic or inconsistent performance, it may be a sign of internal malfunction and necessitate a replacement.
At our company, we strive to provide high-quality slewing drive planetary gearboxes that meet the demands of various industries. With our reliable products and expertise, we are dedicated to delivering exceptional performance and customer satisfaction.
Author: Miya
Address
Luotuo Industrial Area, Zhenhai District, Ningbo City, China
Tel
