Introduction:
The slewing drive planetary gearbox is a mechanical device that consists of a central gear called the sun gear, surrounding gears called planet gears, and an outer ring gear. It is designed to provide rotational movement and torque to various applications. With its compact size and high efficiency, the slewing drive planetary gearbox is widely used in industries such as construction, solar tracking systems, wind turbines, and industrial machinery.

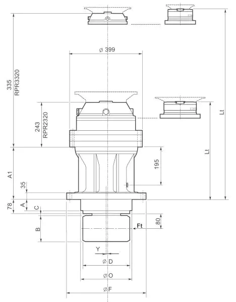
Our slewing drive planetary gearbox has the same installation dimensions as the Replacement of Brevini Riduttori brand, ensuring a high level of performance parameter comparability. This makes it an ideal replacement for Replacement of Brevini Riduttori products. Please note that we do not sell Replacement of Brevini Riduttori products, and the mention of their models is purely for customer reference.

1. Solar tracking systems:
The slewing drive planetary gearbox is commonly used in solar tracking systems to rotate solar panels and optimize their exposure to sunlight. It is typically installed at the base of the solar panel structure and enables precise tracking movement.
2. Construction machinery:
In construction machinery, the slewing drive planetary gearbox is utilized in cranes, excavators, and other equipment that require 360-degree rotation. It provides smooth and continuous rotation, allowing for efficient operation in various construction applications.
3. Wind turbines:
Wind turbines rely on the slewing drive planetary gearbox to orient the rotor blades according to wind direction. This allows for maximum energy capture and optimal power generation.
4. Industrial machinery:
In industrial machinery, the slewing drive planetary gearbox is used in applications such as conveyor systems, turntables, and automation equipment. It enables smooth and precise movement, enhancing overall operational efficiency.

When replacing an old slewing drive planetary gearbox, it is essential to consider the following parameters to find a suitable replacement:
Signs that indicate the need for a new slewing drive gearbox:
At our company, we strive to provide high-quality slewing drive planetary gearboxes that meet the needs of various industries. With our reliable products and expertise, we aim to establish successful partnerships with our valued customers. Contact us today to explore how we can assist you in achieving your goals.
Author: Miya
Address
Luotuo Industrial Area, Zhenhai District, Ningbo City, China
Tel
