Square Baler Gearbox RDF-FK150
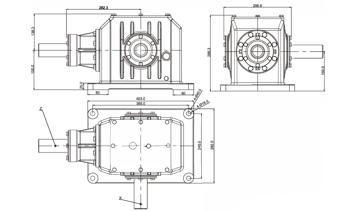
The Square Baler Gearbox RDF-FK150 is an essential component specifically designed for use in square balers, which are crucial pieces of machinery in agriculture for compressing and packaging various crop materials into square-shaped bales. This particular gearbox model plays a significant role in ensuring the smooth and efficient operation of the baler's mechanisms.The RDF-FK150 gearbox is responsible for transmitting mechanical power from the tractor's Power Take-Off (PTO) to the operational components of the square baler. This includes mechanisms like the plunger that compresses the crop material and the knotters that tie the bales. The gearbox adjusts the speed and torque from the tractor's PTO to meet the requirements of the baler's mechanisms, ensuring efficient and consistent baling operations.The RDF-FK150 gearbox contains a set of durable gears that manage the speed and torque necessary for the baler to operate, ensuring the heavy loads and stress involved in the baling process are handled efficiently.The gearbox is equipped with shafts and bearings that facilitate smooth operation and longevity, ensuring that the gearbox can withstand the demanding conditions typical in agricultural operations.The components of the gearbox are encased in a strong housing that protects them from dust, debris, and the elements, contributing to the gearbox's durability and consistent performance.


| i | Suitable | Rpm input | Rpm output | KW(Nom) | KW(Max) | Toothing | |
| r/min | r/min | hp | hp | ||||
| Speed increase | 1:2.07 | Square Baler, etc | 540 | 1117.8 | 120 | 550 | Gleason StraightTeeth |
| Remark: If you have any special require feel free let me know, we also accept custom. | |||||||

![]() | ![]() |


![]() | ![]() |
![]() | ![]() |
Address
Luotuo Industrial Area, Zhenhai District, Ningbo City, China
Tel
